OMRON Temperature Controller - E5CC-T
Temperature Controller - E5CC-T
Download PDF 
 Model Numbers | Temperature Controller - E5CC-T
Model Number Legend
Models with Screw Terminal Blocks
 
Heating and Cooling Control
Using Heating and Cooling Control
(1) Control Output Assignment 
 If there is no control output 2, an auxiliary output is used as the cooling control output. 
 If there is a control output 2, the two control outputs are used for heating and cooling. 
 (It does not matter which output is used for heating and which output is used for cooling.) 
 (2) Control 
 If PID control is used, you can set PID control separately for heating and cooling. 
 This allows you to handle control systems with different heating and cooling response characteristics.
Optional Products (Order Separately)
USB-Serial Conversion Cable
| Model | 
|---|
| E58-CIFQ2 | 
Terminal Covers
| Model | 
|---|
| E53-COV17 | 
| E53-COV23 (3pcs) | 
Note: The Terminal Covers E53-COV23 are provided with the Digital Temperature Controller. The E53-COV10 cannot be 
 used. 
 Refer to Data Sheet for the mounted dimensions.
Waterproof Packing
| Model | 
|---|
| Y92S-P8 | 
Note: The Waterproof Packing is provided with the Digital Temperature Controller.
Current Transformers (CTs)
| Hole diameter | Model | 
|---|---|
| 5.8 mm | E54-CT1 | 
| 5.8 mm | E54-CT1L * | 
| 12.0 mm | E54-CT3 | 
| 12.0 mm | E54-CT3L * | 
* Lead wires are included with these CTs. If UL certification is required, use these CTs.
Adapter
| Model | 
|---|
| Y92F-45 | 
Note: Use this Adapter when the panel has already been prepared for an E5B[] Controller.
Waterproof Cover
| Model | 
|---|
| Y92A-48N | 
Mounting Adapter
| Model | 
|---|
| Y92F-49 | 
Note: This Mounting Adapter is provided with the Digital Temperature Controller.
DIN Track Mounting Adapter
| Model | 
|---|
| Y92F-52 | 
Front Covers
| Type | Model | 
|---|---|
| Hard Front Cover | Y92A-48H | 
| Soft Front Cover | Y92A-48D | 
CX-Thermo Support Software
| Model | 
|---|
| EST2-2C-MV4 | 
Note: CX-Thermo version 4.61 or higher is required for the E5CC-T. 
 For the system requirements for the CX-Thermo, refer to information on the EST2-2C-MV4.
Specifications | Temperature Controller - E5CC-T
Ratings
| Power supply voltage | A in model number: 100 to 240 VAC, 50/60 Hz D in model number: 24 VAC, 50/60 Hz; 24 VDC | |
|---|---|---|
| Operating voltage range | 85 to 110% of rated supply voltage | |
| Power consumption | 7.5 VA max. at 100 to 240 VAC, and 4.1 VA max. at 24 VAC or 2.3 W max. at 24 VDC | |
| Sensor input | Temperature input Thermocouple: K, J, T, E, L, U, N, R, S, B, C/W, or PL II Platinum resistance thermometer: Pt100 or JPt100 Infrared temperature sensor (ES1B): 10 to 70°C, 60 to 120°C, 115 to 165°C, or 140 to 260°C Analog input Current input: 4 to 20 mA or 0 to 20 mA Voltage input: 1 to 5 V, 0 to 5 V, or 0 to 10 V | |
| Input impedance | Current input: 150 Ω max., Voltage input: 1 MΩ min. (Use a 1:1 connection when connecting the ES2-HB-N/THB-N.) | |
| Control method | 2-PID control (with auto-tuning) or ON/OFF control | |
| Control output | Relay output | SPST-NO, 250 VAC, 3 A (resistive load), electrical life: 100,000 operations, minimum applicable load: 5 V, 10 mA (reference value) | 
| Voltage output (for driving SSR) | Output voltage: 12 VDC ± 20% (PNP), max. load current: 21 mA, with short-circuit protection circuit | |
| Linear current output | 4 to 20 mA DC/0 to 20 mA DC, load: 500 Ω max., resolution: approx. 10,000 | |
| Auxiliary output | Number of outputs | 3 | 
| Output specifications | SPST-NO relay outputs, 250 VAC, Models with 3 outputs: 2 A (resistive load), Electrical life: 100,000 operations, Minimum applicable load: 10 mA at 5 V (reference value) | |
| Event input | Number of inputs | 2 or 4 (depends on model) | 
| External contact input specifications | Contact input: ON: 1 kΩ max., OFF: 100 kΩ min. | |
| Non-contact input: ON: Residual voltage: 1.5 V max., OFF: Leakage current: 0.1 mA max. | ||
| Current flow: Approx. 7 mA per contact | ||
| Transfer output | Number of outputs | 1 (only on models with a transfer output) | 
| Output specifications | Current output: 4 to 20 mA DC, load: 500 Ω max., resolution: approx. 10,000 Linear voltage output: 1 to 5 VDC, load: 1 kΩ min., resolution: Approx. 10,000 | |
| Setting method | Digital setting using front panel keys | |
| Indication method | 11-segment digital display and individual indicators Character height: PV: 15.2 mm, SV: 7.1 mm | |
| Bank switching | None | |
| Other functions | Manual output, heating/cooling control, loop burnout alarm, other alarm functions, heater burnout (HB) alarm (including SSR failure (HS) alarm), 40% AT, 100% AT, MV limiter, input digital filter, robust tuning, PV input shift, protection functions, extraction of square root, MV change rate limit, logic operations, temperature status display, moving average of input value, and display brightness setting | |
| Ambient operating temperature | -10 to 55°C (with no condensation or icing), For 3-year warranty: -10 to 50°C with standard mounting (with no condensation or icing) | |
| Ambient operating humidity | 25 to 85% | |
| Storage temperature | -25 to 65°C (with no condensation or icing) | |
| Altitude | 2,000 m max. | |
| Recommended fuse | T2A, 250 VAC, time-lag, low-breaking capacity | |
| Installation environment | Overvoltage category II, Pollution Degree 2 (EN/IEC/UL 61010-1) | |
Input Ranges
Thermocouple/Platinum Resistance Thermometer (Universal inputs)
 
Analog input
| Input type | Current | Voltage | |||
|---|---|---|---|---|---|
| Input specification | 4 to 20 mA | 0 to 20 mA | 1 to 5 V | 0 to 5 V | 0 to 10 V | 
| Setting range | Usable in the following ranges by scaling: -1999 to 9999, -199.9 to 999.9, -19.99 to 99.99 or -1.999 to 9.999 | ||||
| Set value | 25 | 26 | 27 | 28 | 29 | 
Alarm Types
Each alarm can be independently set to one of the following 17 alarm types. The default is 2: Upper limit. (see note.) 
 Auxiliary outputs are allocated for alarms. ON delays and OFF delays (0 to 999 s) can also be specified. 
 Note: In the default settings for models with HB or HS alarms, alarm 1 is set to a heater alarm (HA) and the Alarm Type 1 
 parameter is not displayed. 
 To use alarm 1, set the output assignment to alarm 1.
 
Characteristics
| Indication accuracy (at the ambient temperature of 23°C) | Thermocouple: (±0.3% of indication value or ±1°C, whichever is greater) ±1 digit max. *1 Platinum resistance thermometer: (±0.2% of indication value or ±0.8°C, whichever is greater) ±1 digit Analog input: ±0.2% FS ±1 digit max. CT input: ±5% FS ±1 digit max. | |
|---|---|---|
| Transfer output accuracy | ±0.3% FS max. | |
| Influence of temperature *2 | Thermocouple input (R, S, B, C/W, PL II): (±1% of indication value or ±10°C, whichever is greater) ±1 digit max. Other thermocouple input: (±1% of indication value or ±4°C, whichever is greater) ±1 digit max. *3 Platinum resistance thermometer: (±1% of indication value or ±2°C, whichever is greater) ±1 digit max. Analog input: ±1%FS ±1 digit ma | |
| Influence of voltage *2 | ||
| Influence of EMS. (at EN 61326-1) | ||
| Input sampling period | 50 ms | |
| Hysteresis | Temperature input: 0.1 to 999.9°C or °F (in units of 0.1°C or °F) Analog input: 0.01% to 99.99% FS (in units of 0.01% FS) | |
| Proportional band (P) | Temperature input: 0.1 to 999.9°C or °F (in units of 0.1°C or °F) Analog input: 0.1% to 999.9% FS (in units of 0.1% FS) | |
| Integral time (I) | 0 to 9999 s (in units of 1 s), 0.0 to 999.9 s (in units of 0.1 s) *4 | |
| Derivative time (D) | 0 to 9999 s (in units of 1 s), 0.0 to 999.9 s (in units of 0.1 s) *4 | |
| Proportional band (P) for cooling | Temperature input: 0.1 to 999.9°C or °F (in units of 0.1°C or °F) Analog input: 0.1% to 999.9% FS (in units of 0.1% FS) | |
| Integral time (I) for cooling | 0 to 9999 s (in units of 1 s), 0.0 to 999.9 s (in units of 0.1 s) *4 | |
| Derivative time (D) for cooling | 0 to 9999 s (in units of 1 s), 0.0 to 999.9 s (in units of 0.1 s) *4 | |
| Control period | 0.1, 0.2, 0.5, 1 to 99 s (in units of 1 s) | |
| Manual reset value | 0.0 to 100.0% (in units of 0.1%) | |
| Alarm setting range | -1999 to 9999 (decimal point position depends on input type) | |
| Influence of signal source resistance | Thermocouple: 0.1°C/Ω max. (100 Ωmax.) Platinum resistance thermometer: 0.1°C/Ω max. (10 Ω max.) | |
| Insulation resistance | 20 MΩ min. (at 500 VDC) | |
| Dielectric strength | 3,000 VAC, 50/60 Hz for 1 min between terminals of different charge | |
| Vibration | Malfunction | 10 to 55 Hz, 20 m/s2 for 10 min each in X, Y, and Z directions | 
| Resistance | 10 to 55 Hz, 20 m/s2 for 2 hrs each in X, Y, and Z directions | |
| Shock | Malfunction | 100 m/s2, 3 times each in X, Y, and Z directions | 
| Resistance | 300 m/s2, 3 times each in X, Y, and Z directions | |
| Weight | Controller: Approx. 120 g, Mounting Adapter: Approx. 10 g | |
| Degree of protection | Front panel: IP66, Rear case: IP20, Terminals: IP00 | |
| Memory protection | Non-volatile memory (number of writes: 1,000,000 times) | |
| Setup Tool | CX-Thermo version 4.61 or higher | |
| Setup Tool port | E5CC-T top panel: An E58-CIFQ2 USB-Serial Conversion Cable is used to connect to a USB port on the computer. *5 | |
| Standards | Approved standards | cULus: UL 61010-1/CSA C22.2 No.61010-1, Korean wireless regulations (Radio law: KC Mark) (Some models only.) *6 | 
| Conformed standards | EN 61010-1 (IEC 61010-1), RCM | |
| EMC | EMI: EN 61326-1 *7 Radiated Interference Electromagnetic Field Strength: EN 55011 Group 1, class A Noise Terminal Voltage: EN 55011 Group 1, class A EMS: EN 61326-1 *7 ESD Immunity: EN 61000-4-2 Electromagnetic Field Immunity: EN 61000-4-3 Burst Noise Immunity: EN 61000-4-4 Conducted Disturbance Immunity: EN 61000-4-6 Surge Immunity: EN 61000-4-5 Voltage Dip/Interrupting Immunity: EN 61000-4-11 | |
*1. The indication accuracy of K thermocouples in the -200 to 1,300°C range, T and N thermocouples at a temperature of 
 -100°C max., and U and L thermocouples at any temperatures is ±2°C ±1 digit max. The indication accuracy of the 
 B thermocouple at a temperature of 400°C max. is not specified. The indication accuracy of B thermocouples at a 
 temperature of 400 to 800°C is ±3°C max. The indication accuracy of the R and S thermocouples at a temperature 
 of 200°C max. is ±3°C ±1 digit max. The indication accuracy of C/W thermocouples is (±0.3% of PV or ±3°C, 
 whichever is greater) ±1 digit max. The indication accuracy of PL II thermocouples is (±0.3% of PV or ±2°C, 
 whichever is greater) ±1 digit max. 
 *2. Ambient temperature: -10°C to 23°C to 55°C, Voltage range: -15% to 10% of rated voltage 
 *3. K thermocouple at -100°C max.: ±10°C max. 
 *4. The unit is determined by the setting of the Integral/Derivative Time Unit parameter. 
 *5. External communications (RS-485) and USB-serial conversion cable communications can be used at the same time. 
 *6. Refer to your OMRON website for the most recent information on applicable models. 
 *7. Industrial electromagnetic environment (EN/IEC 61326-1 Table 2)
Program Control
| Number of programs (patterns) | 8 | |
|---|---|---|
| Number of segments (steps) | 32 | |
| Segment setting method | Time setting (Segment set with set point and time.) | |
| Slope setting (Segment set with segment type, set point, slope, and time.) | ||
| Segment times | 0 h 0 min to 99 h 59 min | |
| 0 min 0 s to 99 min 59 s | ||
| Alarm setting | Set separately for each program. | |
| Reset operation | Select either stopping control or fixed SP operation. | |
| Startup operation | Select continuing, resetting, manual operation, or run mode. | |
| PID sets | Number of sets | 8 | 
| Setting method | Set separately for each program (automatic PID group selection also supported). | |
| Alarm SP function | Select from ramp SP and target SP. | |
| Program status control | Segment operation | Advance, segment jump, hold, and wait | 
| Program operation | Program repetitions and program links | |
| Wait operation | Wait method | Waiting at segment ends | 
| Wait width setting | Same wait width setting for all programs | |
| Time signals | Number of outputs | 2 | 
| Number of ON/OFF Operations | 1 each per output | |
| Setting method | Set separately for each program. | |
| Program status output | Program end output (pulse width can be set), run output, stage output | |
| Program startup operation | PV start | Select from segment 1 set point, slope-priority PV start | 
| Standby | 0 h 0 min to 99 h 59 min | |
| 0 day 0 h to 99 day 23h | ||
| Operation end operation | Select from resetting, continuing control at final set point, and fixed SP control. | |
| Program SP shift | Same program SP shift for all programs | |
USB-Serial Conversion Cable
| Applicable OS | Windows XP/Vista/7/8/10 *1 | 
|---|---|
| Applicable software | CX-Thermo version 4.61 or higher | 
| Applicable models | E5[]C-T Series, E5[]C Series, and E5CB Series | 
| USB interface standard | Conforms to USB Specification 2.0. | 
| DTE speed | 38400 bps | 
| Connector specifications | Computer: USB (type A plug) Digital Temperature Controller: Special serial connector | 
| Power supply | Bus power (Supplied from USB host controller.) *2 | 
| Power supply voltage | 5 VDC | 
| Current consumption | 450 mA max. | 
| Output voltage | 4.7 ± 0.2 VDC (Supplied from USB-Serial Conversion Cable to the Digital Temperature Controller.) | 
| Output current | 250 mA max. (Supplied from USB-Serial Conversion Cable to the Digital Temperature Controller.) | 
| Ambient operating temperature | 0 to 55°C (with no condensation or icing) | 
| Ambient operating humidity | 10% to 80% | 
| Storage temperature | -20 to 60°C (with no condensation or icing) | 
| Storage humidity | 10% to 80% | 
| Altitude | 2,000 m max. | 
| Weight | Approx. 120 g | 
Windows is a registered trademark of Microsoft Corporation in the United States and or other countries. 
 *1. CX-Thermo version 4.65 or higher runs on Windows 10. 
 *2. Use a high-power port for the USB port. 
 Note: A driver must be installed on the computer. Refer to the Instruction Manual included with the Cable for the 
 installation procedure.
Communications Specifications
| Transmission line connection method | RS-485: Multidrop | 
|---|---|
| Communications | RS-485 (two-wire, half duplex) | 
| Synchronization method | Start-stop synchronization | 
| Protocol | CompoWay/F, or Modbus | 
| Baud rate * | 9600, 19200, 38400, or 57600 bps | 
| Transmission code | ASCII | 
| Data bit length * | 7 or 8 bits | 
| Stop bit length * | 1 or 2 bits | 
| Error detection | Vertical parity (none, even, odd) Block check character (BCC) with CompoWay/F or CRC-16 Modbus | 
| Flow control | None | 
| Interface | RS-485 | 
| Retry function | None | 
| Communications buffer | 217 bytes | 
| Communications response wait time | 0 to 99 ms Default: 20 ms | 
* The baud rate, data bit length, stop bit length, and vertical parity canbe individually set using theCommunications 
 Setting Level.
Communications Functions
| Programless communications * | You can use the memory in the PLC to read and write E5[]C-T parameters, start and reset operation, etc. The E5[]C-T automatically performs communications with PLCs. No communications programming is required. Number of connected Digital Temperature Controllers: 32 max. Applicable PLCs OMRON PLCs CS Series, CJ Series, CP Series, NJ Series, or NX1P Mitsubishi Electric PLCs MELSEC Q Series, L Series, or iQ-R Series | 
|---|---|
| Component Communications | When Digital Temperature Controllers are connected, set points and RUN/STOP commands can be sent from the Digital Temperature Controller that is set as the master to the Digital Temperature Controllers that are set as slaves. Slope and offsets can be set for the set point. Number of connected Digital Temperature Controllers: 32 max. (including master) | 
| Copying * | When Digital Temperature Controllers are connected, the parameters can be copied from the Digital Temperature Controller that is set as the master to the Digital Temperature Controllers that are set as slaves. | 
MELSEC is a registered trademark of Mitsubishi Electric Corporation. 
 * Both the programless communications and the component communications support the copying.
Current Transformer (Order Separately) Ratings
| E54-CT1 E54-CT3 | E54-CT1L E54-CT3L | |
|---|---|---|
| Dielectric strength | 1,000 VAC for 1 min | 1,500 VAC for 1 min | 
| Vibration resistance | 50 Hz, 98 m/s2 | |
| Weight | E54-CT1: Approx. 11.5 g E54-CT3: Approx. 50 g | E54-CT1L: Approx. 14 g E54-CT3L: Approx. 57 g | 
| Accessories | E54-CT3 Only Armatures (2) Plugs (2) | None | 
Heater Burnout Alarms and SSR Failure Alarms
| CT input (for heater current detection) | Models with detection for single-phase heaters: One input Models with detection for singlephase or three-phase heaters: Two inputs | 
|---|---|
| Maximum heater current | 50 A AC | 
| Input current indication accuracy | ± 5% FS ± 1 digit max. | 
| Heater burnout alarm setting range *1 | 0.1 to 49.9 A (in units of 0.1 A) Minimum detection ON time: 100 ms *3 | 
| SSR failure alarm setting range *2 | 0.1 to 49.9 A (in units of 0.1 A) Minimum detection OFF time: 100 ms *4 | 
*1 For heater burnout alarms, the heater current will be measured when the control output is ON, and the output will turn 
 ON if the heater current is lower than the set value (i.e., heater burnout detection current value). 
 *2 For SSR failure alarms, the heater current will be measured when the control output is OFF, and the output will turn ON 
 if the heater current is higher than the set value (i.e., SSR failure detectioncurrent value). 
 *3 The value is 30 ms for a control period of 0.1 s or 0.2 s. 
 *4 The value is 35 ms for a control period of 0.1 s or 0.2 s.
Dimensions | Temperature Controller - E5CC-T
(Unit: mm)
Controllers
E5CC-T
 
Accessories (Order Separately)
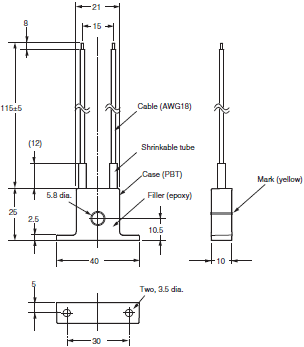
USB-Serial Conversion Cable
E58-CIFQ2
 
Terminal Covers
E53-COV17
 
E53-COV23 (Three Covers provided.)
 
Waterproof Packing
Y92S-P8 (for DIN 48 × 48)
 
The Waterproof Packing is provided with the Temperature Controller. 
 Order the Waterproof Packing separately if it becomes lost or damaged. 
 The Waterproof Packing can be used to achieve an IP66 degree of protection. 
 (Deterioration, shrinking, or hardening of the waterproof packing may occur depending on the operating environment. Therefore, periodic replacement is recommended to ensure the level of waterproofing specified in IP66. The time for periodic replacement depends on the operating environment. Be sure to confirm this point at your site. 
 Consider three years as a rough standard.)
Current Transformers
E54-CT1
 
E54-CT1L
 
Thru-current (Io) vs. Output Voltage (Eo) (Reference Values)
E54-CT1 or E54-CT1L
 
Maximum continuous heater current: 50 A (50/60 Hz) 
 Number of windings: 400±2 
 Winding resistance: 18±2 Ω
E54-CT3
 
E54-CT3 Accessories
 
E54-CT3L
 
Thru-current (Io) vs. Output Voltage (Eo) (Reference Values)
E54-CT3 or E54-CT3L
 
Maximum continuous heater current: 120 A (50/60 Hz) 
 (Maximum continuous heater current for an OMRON Digital Temperature Controller is 50 A.) 
 Number of windings: 400±2 
 Winding resistance: 8±0.8 Ω
Adapter
Y92F-45
Note: 1. Use this Adapter when the Front Panel has already been prepared for the E5B[]. 
 2. Only black is available. 
 3. You cannot use the E58-CIFQ2 USB-Serial Conversion Cable if you use the Y92F-45 Adapter. To use the USB- 
 SerialConversion Cable to make the settings, do so before you mount the Temperature Controller in the panel. 
 4. You cannot use this Adapter together with the Y92F-49 Adapter that is provided with the E5CC-T Temperature 
 SerialController.
 
Mounted to E5CC
 
DIN Track Mounting Adapter
Y92F-52
 
Note: This Adapter cannot be used together with the Terminal Cover. 
 Remove the Terminal Cover to use the Adapter. 
 This Adapter is used to mount the E5CC-T to a DIN Track. 
 If you use the Adapter, there is no need for a plate to mount in the panel or to drill mounting holes in the panel.
Mounted to E5CC-T
 
Watertight Cover
Y92A-48N
 
Mounting Adapter
Y92F-49
 
The Mounting Adapter is provided with the Temperature Controller. 
 Order the Mounting Adapter separately if it becomes lost or damaged.
Protective Cover
Y92A-48D
 
Note: This Protective Cover cannot be used if the Waterproof Packing is installed. 
 This Protective Cover is soft type. 
 It is able to operate the controller with using this cover.
Protective Cover
Y92A-48H
 
This Protective Cover is hard type. 
 Please use it for the mis-operation prevention etc.
Features | Temperature Controller - E5CC-T
- The front panel is rated IP66
- Easy connections to a PLC with program less communications
- Set up the controller without the need for a power supply
- Available RS-485 Communications
- Built-in ramp/soak features make it ideal for controlling glass and ceramic process
Properties | Temperature Controller - E5CC-T
| Temperature Controller | E5CC-T | 
|---|---|
| Power supply | A in model number: 100 to 240 VAC, 50/60 Hz | 
| D in model number: 24 Vac, 50/60 Hz; 24 Vdc | |
| Sensor input | Thermocouple: K, J, T, E, L, U, N, R, S, B, C/W, or PL II | 
| Current 4 – 20 mA/ 0 – 20 mA | |
| Voltage 1 – 5V, 0 – 5V, 0 - 10V | |
| Event input | 2, 4 (depends on model) | 
| Control method | Control NO/OFF | 
| 2-PID control (with auto-tuning) | |
| Output | Voltage 12 Vdc (PNP) | 
| Current 4 – 20mA/ 0 – 20mA | |
| Relay (NO 250Vac, 5A) | |
| Tranfer output | 1 | 
| Auxiliary output | 3 | 
| Size (W x L x D) (mm) | 48 x 48 x 64 | 
| Weight (g) | 120 | 
Temperature Controller - E5CC-T
ดาวน์โหลดไฟล์ PDF 
 คุณสมบัติ | Temperature Controller - E5CC-T
- มาตรฐานการป้องกัน IP 66 (ด้านหน้า)
- เชื่อมต่อกับ PLC ได้ง่ายโดยไม่ต้องเขียนโปรแกรมเยอะ
- สามารถตั้งค่าได้โดยไม่ต้องใช้แหล่งจ่ายจากภายนอก
- มีการติดต่อสื่อสารผ่านทาง RS-485
- มีฟังก์ชันแร้มและโซ้กสำหรับใช้ในงานแก้วและเซลามิก
ข้อมูลจำเพาะ | Temperature Controller - E5CC-T
| Temperature Controller | E5CC-T | 
|---|---|
| แหล่งจ่ายไฟ | ถ้ามีตัว A ในโมเดล จะใช้ 100 – 240 Vac (50 – 60 Hz) | 
| ถ้ามีตัว D ในโมเดล จะใช้ 24 Vac (50 – 60 Hz) / 24Vdc | |
| เซนเซอร์อินพุต | อุณหภูมิ แบบเทอร์โมคอบเปิล: K, J, T, E, L, U, N, R, S, B, C/W, or PL II | 
| กระแส 4 – 20 mA/ 0 – 20 mA | |
| แรงดัน 1 – 5V, 0 – 5V, 0 - 10V | |
| อินพุตเงื่อนไข | 2, 4 (ขึ้นอยู่กับโมเดล) | 
| รูปแบบการควบคุม | ควบคุมแบบเปิด/ปิด | 
| ควบคุมแบบ 2 – PID (ด้วยการปรับอัตโนมัติ) | |
| เอาต์พุต | แรงดัน 12 Vdc (PNP) | 
| กระแส 4 – 20mA/ 0 – 20mA | |
| รีเลย์ (NO 250Vac, 5A) | |
| เอาต์พุตถ่ายโอน | 1 ช่อง | 
| ช่องเอาต์พุตเสริม | 3 ช่อง | 
| ขนาด | กว้าง 48 mm / ยาว 48 mm / ลึก 64 mm | 
| น้ำหนัก | 120 กรัม | 

 
		



 Technology Instrument
Technology Instrument  T.U Pack
T.U Pack  Your Lift
Your Lift