วาล์วกันกลับควบคุมด้วยน้ำมัน แบบซ้อน รุ่น MPA, MPB, MPW-03 Series
วาล์วแบบซ้อน Hydraulic || Modular Valve
Hydraulic || Pilot Operated Check Modular Valves
วาล์วกันกลับควบคุมด้วยน้ำมัน (แบบซ้อน) รุ่น MPA, MPB, MPW-03 Series
สัญลักษณ์ (SYMBOL) วาล์วกันกลับควบคุมด้วยน้ำมัน (แบบซ้อน) รุ่น MPA, MPB, MPW-03 Series
| Model Number | Grphic Symbols |
|---|---|
| MPA-03-X | ![]() |
| MPB-03-X | ![]() |
| MPW-03-X | ![]() |

รายละเอียด วาล์วกันกลับควบคุมด้วยน้ำมัน (แบบซ้อน) Hydraulic || Pilot Operated Check Modular Valves รุ่น MPA, MPB, MPW-03 Series
| หมายเลขรุ่น | แรงดันใช้งานสูงสุด MPa (PSI) | อัตราการไหลสูงสุด L/min (U.S.GPM) | |
|---|---|---|---|
| รุ่นมาตราฐาน | MPX-03-X-20 | 25 (3630) | 70 (18.5) |
| รุ่นแรงดันต่ำ | MPX-03-X-2001 | ||
ตารางเลือกรุ่น วาล์วกันกลับควบคุมด้วยน้ำมัน (แบบซ้อน) Hydraulic || Pilot Operated Check Modular Valves รุ่น MPA, MPB, MPW-03 Series
| F- | MPA | -03 | -2 | -20 | * |
|---|---|---|---|---|---|
| ชีลชนิดพิเศษ | หมายเลขรุ่น | ขนาด วาล์ว | แรงดันเปิดวาล์ว | Design Number | Design Standard |
| F : ชีลชนิดพิเศษ สำหรับน้ำมันกึ่ง สังเคราะห์ |
MPA : Pilot Operated Check Valve for A-Line MPB : Pilot Operated Check Valve for B-Line MPW : Pilot Operated Check Valve for A-Line |
03 | 2 : 0.2(29) 4 : 0.4(58) |
20 (Standard) 2001 (Low Pilot Pressure Control Type ) |
None : Japanese Std. "JIS"& European Design Std. |
โครงสร้างวาล์วกันกลับควบคุมด้วยน้ำมัน (แบบซ้อน) รุ่น MPA, MPB, MPW-03 Series
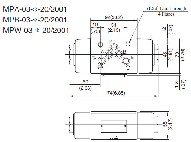
- วาล์วกันกลับควบคุมด้วยน้ำมัน (แบบซ้อน) รุ่น MPA-03-X-20/2001, MPB-03-X-20/2001, MPW-03-X-20/2001








Your Lift