AirTAC - แมคคานิควาล์ว Mechanical Valve แบบวาล์วมือโยก 4HV, 4HVL Series
แมคคานิควาล์ว Mechanical Valve แบบวาล์วมือโยก 4HV 4HVL Series
Download PDF: Pneumatic Mechanical Valve 4HV 4HVL series
Features | AirTAC แมคคานิควาล์ว Mechanical Valve แบบวาล์วมือโยก 4HV 4HVL Series
วาล์วควบคุมด้วยมือ แบบมือโยก ชนิด 4/2, 4/3 ทาง Hand Lever Valve (4/2, 4/3 Way) อุปกรณ์นิวเมติกส์ Pneumatics สินค้าแบรน AirTAC จากประเทศไต้หวัน

สัญลักษณ์ (Symbol) | AirTAC แมคคานิควาล์ว Mechanical Valve แบบวาล์วมือโยก 4HV 4HVL Series

Specifications | AirTAC แมคคานิควาล์ว Mechanical Valve แบบวาล์วมือโยก 4HV, 4HVL Series
| Model | 4HV2[ ][ ]-06(L) | 4HV2[ ][ ]-08(L) | 4HV3[ ][ ]-08(L) | 4HV3[ ][ ]-10(L) | 4HV4[ ][ ]-15(L) | 4HV4[ ][ ]-20(L) |
|---|---|---|---|---|---|---|
| Fluid | Air (to be filtered by 40µm filter element) | |||||
| Operating | Manual control direct acting type | |||||
| Port size (1) | 1/8" | 1/4" | 1/4" | 3/8" | 1/2" | 3/4" |
| Orifice size | 14.0 mm2 (Cv = 0.78) |
16.0 mm2 (Cv = 0.89) |
30.0 mm2 (Cv = 1.67) |
33.0 mm2 (Cv = 1.83) |
88.0 mm2 (Cv = 4.89) |
95.0 mm2 (Cv = 5.27) |
| Valve type | 4 port 2 position 4 port 3 position | |||||
| Lubrication | Not required | |||||
| Pressure range | 0~1.0 MPa (0~145 psi) | |||||
| Proof pressure | 1.5 MPa (215 psi) | |||||
| Temperature | -20~70 °C | |||||
| Operating angle | 90° | |||||
(1) PT thread, NPT thread and G thread are available.
Ordering code | AirTAC แมคคานิควาล์ว Mechanical Valve แบบวาล์วมือโยก 4HV, 4HVL Series
Example: 4HV23006SLP
How to select: 4H(1) 2(2) 30C(3) 08(4) P(5)
| (1) Model | (2) Code | (3)Valve type | (4) Port size | (5) Thread type |
|---|---|---|---|---|
| 4HV : Hand lever valve | 2: 2 series 3: 3 series 4: 4 series |
10: 4 port 2 position 30: 4 port 3 position (1) |
06: 1/8" 08: 1/4" 10: 3/8" 15: 1/2" 20: 3/4" |
P: PT T: NPT G: G |
- 4 port 3 position only has closed center type
- The panel installation can be attached with installing nut.
Inner structure | AirTAC แมคคานิควาล์ว Mechanical Valve แบบวาล์วมือโยก 4HV, 4HVL Series

| NO | Item | NO | Item |
|---|---|---|---|
| 1 | Body | 12 | Pin one |
| 2 | Seal base | 13 | Front cover |
| 3 | Valve cover | 14 | Spring |
| 4 | Valve plug | 15 | Handle |
| 5 | Column pin | 16 | Pin two |
| 6 | Shaft | 17 | Shaft O-ring |
| 7 | Washer | 18 | Spring |
| 8 | Fixing plate | 19 | Iron plate |
| 9 | Lock PIN | 20 | Fixing screw |
| 10 | Valve cap | 21 | Body O-ring |
| 11 | Spring pin | 22 | Seal base O-ring |
Flow chart | AirTAC - แมคคานิควาล์ว Mechanical Valve แบบวาล์วมือโยก 4HV, 4HVL Series



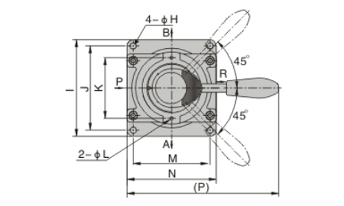
Dimensions | AirTAC - แมคคานิควาล์ว Mechanical Valve แบบวาล์วมือโยก 4HV, 4HVL Series
4HV series



| Type\Item | A | B | C | D | E | F | G | H | I | J | K | L | M | N | P |
|---|---|---|---|---|---|---|---|---|---|---|---|---|---|---|---|
| 4HV2[ ][ ]-06 | 73 | 45 | 1.5 | 1/8" | 11.5 | M34x1.5 | 92.5 | 5.5 | 62 | 49 | 40 | 3 | 49 | 62 | 120 |
| 4HV2[ ][ ]-08 | 73 | 45 | 1.5 | 1/4" | 11.5 | M34x1.5 | 92.5 | 5.5 | 62 | 49 | 40 | 3 | 49 | 62 | 120 |
| AHV3[ ][ ]-08 | 88.5 | 56 | 1.5 | 1/4" | 13.5 | M40x1.5 | 104 | 6.5 | 74 | 62 | 51 | 3 | 62 | 74 | 140 |
| AHV3[ ][ ]-10 | 88.5 | 56 | 1.5 | 3/8" | 13.5 | M40x1.5 | 104 | 6.5 | 74 | 62 | 51 | 3 | 62 | 74 | 140 |
| 4HV4[ ][ ]-15 | 110 | 72 | 2 | 1/2" | 18 | M52x1.5 | 128 | 6.5 | 102 | 89 | 64 | 3 | 81 | 94 | 160 |
| 4HV4[ ][ ]-20 | 110 | 72 | 2 | 3/4" | 18 | M52x1.5 | 128 | 6.5 | 102 | 89 | 64 | 3 | 81 | 94 | 160 |
4HVL series



| Type\Item | A | B | C | D | E | F | G | H | I | J | K | L | M | N | P |
|---|---|---|---|---|---|---|---|---|---|---|---|---|---|---|---|
| 4HV2[ ][ ]-06L | 84 | 45 | 1.5 | 1/8" | 11.5 | M34x1.5 | 92.5 | 5.5 | 62 | 49 | 40 | 3 | 49 | 62 | 120 |
| 4HV2[ ][ ]-08L | 84 | 45 | 1.5 | 1/4" | 11.5 | M34X1.5 | 92.5 | 5.5 | 62 | 49 | 40 | 3 | 49 | 62 | 120 |
| AHV3[ ][ ]-08L | 99 | 56 | 1.5 | 1/4" | 13.5 | M40X1.5 | 104 | 6.5 | 74 | 62 | 51 | 3 | 62 | 74 | 140 |
| AHV3[ ][ ]-10L | 99 | 56 | 1.5 | 3/8" | 13.5 | M40X1.5 | 104 | 6.5 | 74 | 62 | 51 | 3 | 62 | 74 | 140 |
| 4HV4[ ][ ]-15L | 121 | 72 | 2 | 1/2" | 18 | M52X1.5 | 128 | 6.5 | 102 | 89 | 64 | 3 | 81 | 94 | 160 |
| 4HV4[ ][ ]-20L | 121 | 72 | 2 | 3/4" | 18 | M52x1.5 | 128 | 6.5 | 102 | 89 | 64 | 3 | 81 | 94 | 160 |




Your Lift