AirTAC - ฐานตั้งวาล์ว แมนิโฟลด์ รุ่น 3A/4A Air Valve-manifold Series
ฐานตั้งวาล์ว แมนิโฟลด์ รุ่น 3A/4A Air Valve-manifold Series
Download PDF: Pneumatic Control valve 3A/4A Series
Features | AirTAC ฐานตั้งวาล์ว แมนิโฟลด์ รุ่น 3A/4A Air Valve-manifold Series
ฐานตั้งวาล์ว แมนิโฟลด์ รุ่น 3A/4A Air Valve-manifold (3A/4A Air Valve-manifold Series)
- It's available to integrate the direction control valve of the same series to form valve group to save space and cost.
- It's easy to examine when there are faults owning to the unified air intake and exhaust and unified wiring.
- Flexible combination and strong expansion capability can make any combination or expansion of the numbers of direction control valves that are connected.

Specifications | AirTAC ฐานตั้งวาล์ว แมนิโฟลด์ รุ่น 3A/4A Air Valve-manifold Series
| รุ่นสินค้า | ขนาดเกลียว | Orifice mm2(CV) | อุณหภูมิใช้งาน | ชนิดเกลียว | การทำงาน | แรงดันที่ใช้ (Mpa) |
|---|---|---|---|---|---|---|
| 4A110-M5 | M5 | 5.5 (0.31) | 5 ~ 60 °c | - PT - NPT - BSPP |
5/2 คอยล์ 1 ข้าง | 0.15 ~ 0.8 |
| 4A110-06 | 1/8" | 12 (0.67) | 5 ~ 60 °c | 5/2 คอยล์ 1 ข้าง | 0.15 ~ 0.8 | |
| 4A210-06 | 1/8" | 14 (0.78) | 5 ~ 60 °c | 5/2 คอยล์ 1 ข้าง | 0.15 ~ 0.8 | |
| 4A210-08 | 1/4" | 16 (0.89) | 5 ~ 60 °c | 5/2 คอยล์ 1 ข้าง | 0.15 ~ 0.8 | |
| 4A310-08 | 1/4" | 25 (1.4) | 5 ~ 60 °c | 5/2 คอยล์ 1 ข้าง | 0.15 ~ 0.8 | |
| 4A310-10 | 3/8" | 30 (1.68) | 5 ~ 60 °c | 5/2 คอยล์ 1 ข้าง | 0.15 ~ 0.8 | |
| 4A410-15 | 1/2" | 50 (2.79) | 5 ~ 60 °c | 5/2 คอยล์ 1 ข้าง | 0.15 ~ 0.8 | |
| 4A120-M5 | M5" | 5.5 (0.31) | 5 ~ 60 °c | 5/2 คอยล์ 2 ข้าง | 0.15 ~ 0.8 | |
| 4A120-06 | 1/8" | 12 (0.67) | 5 ~ 60 °c | 5/2 คอยล์ 2 ข้าง | 0.15 ~ 0.8 | |
| 4A220-06 | 1/8" | 14 (0.78) | 5 ~ 60 °c | 5/2 คอยล์ 2 ข้าง | 0.15 ~ 0.8 | |
| 4A220-08 | 1/4" | 16 (0.89) | 5 ~ 60 °c | 5/2 คอยล์ 2 ข้าง | 0.15 ~ 0.8 | |
| 4A320-08 | 1/4" | 25 (1.4) | 5 ~ 60 °c | 5/2 คอยล์ 2 ข้าง | 0.15 ~ 0.8 | |
| 4A320-10 | 3/8" | 30 (1.68) | 5 ~ 60 °c | 5/2 คอยล์ 2 ข้าง | 0.15 ~ 0.8 | |
| 4A420-15 | 1/2" | 50 (2.79) | 5 ~ 60 °c | 5/2 คอยล์ 2 ข้าง | 0.15 ~ 0.8 | |
| 4A130-M5 | M5 | 5 (0.28) | 5 ~ 60 °c | 5/3 คอยล์ 2 ข้าง | 0.15 ~ 0.8 | |
| 4A130-06 | 1/8" | 9 (0.05) | 5 ~ 60 °c | 5/3 คอยล์ 2 ข้าง | 0.15 ~ 0.8 | |
| 4A230-06 | 1/8" | 12 (0.67) | 5 ~ 60 °c | 5/3 คอยล์ 2 ข้าง | 0.15 ~ 0.8 | |
| 4A230-08 | 1/4" | 12 (0.67) | 5 ~ 60 °c | 5/3 คอยล์ 2 ข้าง | 0.15 ~ 0.8 | |
| 4A330-08 | 1/4" | 18 (1.00) | 5 ~ 60 °c | 5/3 คอยล์ 2 ข้าง | 0.15 ~ 0.8 | |
| 4A330-10 | 3/8" | 18 (1.00) | 5 ~ 60 °c | 5/3 คอยล์ 2 ข้าง | 0.15 ~ 0.8 | |
| 4A430-15 | 1/2" | 30 (1.67) | 5 ~ 60 °c | 5/3 คอยล์ 2 ข้าง | 0.15 ~ 0.8 |
Ordering code | AirTAC ฐานตั้งวาล์ว แมนิโฟลด์ รุ่น 3A/4A Air Valve-manifold Series
Ordering code for manifold
Example: 100M5FT
How to Select: 100M(1) 5F(2) T(3)
| (1) Model | (2) Number of stations [note 1] | (3)Thread type |
|---|---|---|
| 100M: 100 series manifold 200M: 200 series manifold 300M: 300 series manifold 400M: 400 series manifold |
1F: 1 station 2F: 2 station 3F: 3 station ................ 16F: 16 station |
T: NPT |
Ordering code for blank plate
Example : P-100M-R2
How to Select: 100M(1) 5F(2) T(3)
| (1) Model | (2) Number of stations [note 1] | (3)Thread type |
|---|---|---|
| P: kilts | 100M: 100 series maniflod | R2: Blank plate for manifold |
| 200M: 200 series maniflod | ||
| 300M: 300 series maniflod | ||
| 400M: 400 series maniflod |
- 100M, 200M series have a a maximum of 16 station
300M series have a maximum of 12 station
400M series have a maximum of 8 station. - Ordering code contains the two parts of the manifold's and the blank plate's.
Manifold kits contains manifold, seal and screw
Blank plate kits contains blank and screw.
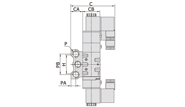
Dimensions | AirTAC ฐานตั้งวาล์ว แมนิโฟลด์ รุ่น 3A/4A Air Valve-manifold Series


| Model\Item | B | BA | BC | BD | C | CA | CB | D | E | F | G | H | K | KB | KC | P | PA | PB |
|---|---|---|---|---|---|---|---|---|---|---|---|---|---|---|---|---|---|---|
| 100MF | 154.5 | 142.5 | 99.5 | 28 | 77 | 22 | 27 | 57.5 | 43 | 19 | 19 | 36 | 4.5 | 5 | 20 | 1/4" | 10 | 40 |
| 200MF | 189 | 171 | 117 | 31.7 | 91 | 24 | 35 | 60 | 52 | 23 | 22 | 38 | 4.5 | 5 | 21 | 1/4" | 10 | 42 |
| 300MF | 208 | 190 | 135 | 40 | 97 | 28 | 40 | 75 | 64 | 28 | 26 | 54 | 4.5 | 5 | 26 | 3/8" | 13.5 | 53 |
| 400MF | 243 | 223 | 168.5 | 57 | 107 | 33 | 50 | 100 | 94 | 35 | 30.5 | 75 | 5.5 | 6 | 32 | 1/2" | 15 | 68 |
| Model\Item | A | |||||||||||||||
|---|---|---|---|---|---|---|---|---|---|---|---|---|---|---|---|---|
| 1F | 2F | 3F | 4F | 5F | 6F | 7F | 8F | 9F | 10F | 11F | 12F | 13F | 14F | 15F | 16F | |
| 100MF | 38 | 57 | 76 | 95 | 114 | 133 | 152 | 171 | 190 | 209 | 228 | 247 | 266 | 285 | 304 | 323 |
| 200MF | 44 | 67 | 90 | 113 | 136 | 159 | 182 | 205 | 228 | 251 | 274 | 297 | 320 | 343 | 366 | 389 |
| 300MF | 52 | 80 | 108 | 136 | 164 | 192 | 220 | 248 | 276 | 304 | 332 | 360 | - | - | - | - |
| 400MF | 61 | 96 | 131 | 166 | 201 | 236 | 271 | 306 | - | - | - | - | - | - | - | - |
| Model\Item | KA | |||||||||||||||
|---|---|---|---|---|---|---|---|---|---|---|---|---|---|---|---|---|
| 1F | 2F | 3F | 4F | 5F | 6F | 7F | 8F | 9F | 10F | 11F | 12F | 13F | 14F | 15F | 16F | |
| 100MF | 28 | 47 | 66 | 85 | 104 | 123 | 142 | 161 | 180 | 199 | 218 | 237 | 256 | 275 | 294 | 313 |
| 200MF | 34 | 57 | 80 | 103 | 126 | 149 | 172 | 195 | 218 | 241 | 264 | 287 | 310 | 333 | 356 | 379 |
| 300MF | 42 | 70 | 98 | 126 | 154 | 182 | 210 | 238 | 266 | 294 | 322 | 350 | - | - | - | - |
| 400MF | 49 | 84 | 119 | 154 | 189 | 224 | 259 | 294 | - | - | - | - | - | - | - | - |




Your Lift