AirTAC - Solenoid Valve วาล์วควบคุมทิศทางหรือโซลินอยด์วาล์ว รุ่น 3V Series
วาล์วควบคุมทิศทาง รุ่น 3V Series / โซลินอยด์วาล์ว รุ่น 3V Series
Download PDF: 3V Series
Features | AirTAC Solenoid Valve โซลินอยด์วาล์ว 3V Series
โซลินอยด์วาล์ว รุ่น 3V (3V Series) โซลินอยด์วาล์ว ชนิด 3/2 ทาง, Solenoid Valve (3/2 Way)
- Pilot-oriented mode: Internal pilot or external pilot.
- Structure in sliding column mode: good tightness and sensitve reaction.
- Double control solenoid valves have memory function.
- Internal hole adopts special processing technology which has little attrition friction, low start preesure and long service life.
- No need to add oil for lubrication
- Affiliated menual devices are equipped to facilitate installation and debugging.
- Several standard voltage grades are optional.
- Integrate with the manifold to save installation space.

สัญลักษณ์ (Symbol) | AirTAC Solenoid Valve โซลินอยด์วาล์ว 3V1 Series

Specifications | AirTAC Solenoid Valve วาล์วควบคุมทิศทางหรือโซลินอยด์วาล์ว รุ่น 3V Series
| Model | 3V210-06 | 3V220-06 | 3V210-08 | 3V220-08 |
|---|---|---|---|---|
| Fluid | Air (to be filtered by 40 µm filter element) | |||
| Acting | Internal pilot or external pilot | |||
| Port size (1) | In = Out = 1/8" | In = Out = 1/4" | ||
| Orifice size | 14.0 mm2 (Cv=0.78) | 16.0 mm2 (Cv=0.89) | ||
| Valve type | 3 port 2 position | |||
| Lubrication (2) | Not required | |||
| Operating pressure | 0.15~0.8 MPa (21~114 psi) | |||
| Proof pressure | 1.5 MPa (215 psi) | |||
| Temperature | -20~70 °C | |||
| Material of body | Aluminum alloy | |||
- PT thread, NPT thread and G thread are available.
- Once lubricated air is used, continue with same medium to optimise valve life span, Lubricants like ISO VG32 or equivalent are recommended.
Ordering code | AirTAC Solenoid Valve วาล์วควบคุมทิศทางหรือโซลินอยด์วาล์ว รุ่น 3V Series
Example: 3V21008NOAW
How to Select: 3V(1) 2(2) 10(3) 08(4) NO(5) A(6) [ ](7) [ ](8) W(9)
| (1) Model | (2) Code | (3) Valve type | (4) Port size | (5) Acting type | (6) Voting type | (7) Electrical entry | (8) Thread type | (9) Pilot type | |
|---|---|---|---|---|---|---|---|---|---|
| Valve type | Acting type | ||||||||
| 3V: Solenoid valve (3/2 way) | 2: 200 series | 10: Single solenoid 20: Double solenoid |
06: 1/8" 08: 1/4" |
10 | NC: Normally closed NO: Normally opened |
A: AC220V B: DC24V C: AC110V E: AC24V F: DC12V |
Blank: Terminal I: Grommet |
Blank: Terminal T: NPT G: G |
![]() |
| 20 | Not code | ![]() |
|||||||
Please refer to 36 for manifold specification and the order way.
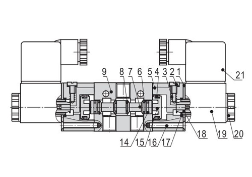
Inner structure | AirTAC Solenoid Valve วาล์วควบคุมทิศทางหรือโซลินอยด์วาล์ว รุ่น 3V Series
3V210

3V220

| No. | Item |
|---|---|
| 1 | Fixed plate |
| 2 | Manual override |
| 3 | Override spring |
| 4 | Piston O-ring |
| 5 | Pilot body |
| 6 | Spool packing |
| 7 | Spool |
| 8 | O-ring |
| 9 | Body |
| 10 | Spool spring |
| 11 | Bottom cover gasket |
| 12 | Bottom cover |
| 13 | Screw |
| 14 | Wearring |
| 15 | Piston |
| 16 | Pilot screw |
| 17 | O-ring |
| 18 | Armature |
| 19 | Coil |
| 20 | Coil net |
| 21 | Connector |
Flow chart | AirTAC Solenoid Valve วาล์วควบคุมทิศทางหรือโซลินอยด์วาล์ว รุ่น 3V Series

Dimensions | AirTAC Solenoid Valve วาล์วควบคุมทิศทางหรือโซลินอยด์วาล์ว รุ่น 3V Series
3V210 (Terminal)

3V210 (Grommet)

3V220 (Terminal)

3V220 (Grommet)







Your Lift