วาล์วควบคุมทิศทางด้วยมือ รุ่น DMT, DMG Series
วาล์วควบคุมทิศทางด้วยมือ Hydraulic || Manual Directional Controls
Hydraulic || Manually Operated Directional Valves
วาล์วควบคุมทิศทางด้วยมือ (Hydraulic || Manually Operated Directional Valves) รุ่น DMT-DMG Series
วาล์วควบคุมทิศทางด้วยมือ เหมาะกับงานที่ควบคุมด้วยมือโดยมีอัตราการไหลมากๆ และสามารถปรับแรงดันในตัว ง่ายสะดวกในการติดตั้ง
สัญลักษณ์ (SYMBOL) วาล์วควบคุมทิศทางด้วยมือแบบสปริงกลาง
สัญลักษณ์ (SYMBOL) วาล์วควบคุมทิศทางด้วยมือแบบไม่สปริงแบบล็อคตำแหน่ง
สัญลักษณ์ (SYMBOL) วาล์วควบคุมทิศทางด้วยมือแบบสปริงข้างเดียว


รายละเอียด วาล์วควบคุมทิศทางด้วยมือ (Hydraulic || Manually Operated Directional Valves) รุ่น DMT-DMG Series
| หมายเลขรุ่น | อัตราการไหลสูงสุด L/min (U.S GPM) | 52.8แรงดันสูงสุด MPa (PSI) | แรงดันย้อนกลับ สูงสุด T-Line MPa (PSI) | น้ำหนัก โดยประมาณ kg (lbs.) | ||||
|---|---|---|---|---|---|---|---|---|
| 7 MPa (1020 PSI) | 14 MPa (2030 PSI) | 21 MPa (3050 PSI) | 31.5 MPa (4570 PSI) | |||||
| แบบเกลียว | DMT-03-3CX-50X | 100 (26.4) | 100 (26.4) | 100 (26.4) | - | 2.5 (3630) | 16 (2320) | 5.0 (11.0) |
| DMT-03-3DX-50X | 100 (26.4) | 100 (26.4) | 100 (26.4) | - | ||||
| DMT-03-2DX-50X | 100 (26.4) | 100 (26.4) | 100 (26.4) | - | ||||
| DMT-03-2BX-50X | 100 (26.4) | 100 (26.4) | 100 (26.4) | - | ||||
| DMT-06-3CX-30X | 300 {200} (79.3 {52.8}) |
300 {120} (79.3 {31.7}) |
300 {100} (79.3 {26.4}) |
- | 21 (3050) | At time spool shift is required : 7 (1020) At time spool shift is not required : 21 (3050) |
12.9 (28.5) | |
| DMT-06-3DX-30X | 300 (79.3) | 300 (79.3) | 300 (79.3) | - | ||||
| DMT-06-2DX-30X | 300 (79.3) | 300 (79.3) | 300 (79.3) | - | ||||
| DMT-06-2BX-30X | 200 (52.8) | 200 (52.8) | 200 (52.8) | - | ||||
| DMT-10-3CX-30X | 500 {315} (79.3{52.8}) |
500 {315} (79.3{52.8}) |
500 {315} (79.3{52.8}) |
- | 21 (3050) | At time spool shift is required : 7 (1020) At time spool shift is not required : 21 (3050) |
22 (48.5) | |
| DMT-10-3DX-30X | 500 (132) | 500 (132) | 500 (132) | |||||
| DMT-10-2DX-30X | 500 (132) | 500 (132) | 500 (132) | |||||
| DMT-10-2BX-30X | 315 (83.2) | 315 (83.2) | 315 (83.2) | |||||
| แบบวาง ฐานวาล์ว |
DMG-01-3CX-10X | 35 (9.2) | 35 (9.2) | 35 (9.2) | - | 25 (3630) | 14 (2030) | 1.8 (4.0) |
| DMG-01-3DX-10X | ||||||||
| DMG-01-2DX-10X | ||||||||
| DMG-01-2BX-10X | ||||||||
| DMG-03-3CX-50X | 100 (26.4) | 100 (26.4) | 100 (26.4) | - | 25 (3630) | 16 (2320) | 4.0 (8.8) | |
| DMG-03-3DX-50X | 100 (26.4) | 100 (26.4) | 100 (26.4) | - | ||||
| DMG-03-2DX-50X | 100 (26.4) | 100 (26.4) | 100 (26.4) | - | ||||
| DMG-03-2BX-50X | 100 (26.4) | 100 (26.4) | 100 (26.4) | - | ||||
| DMG-04-3CX-21X | 200 (52.8) | 200 (52.8) | 200 (52.8) | - | 21 (3050) | 21 (3050) | 7.4 (16.3) | |
| DMG-04-3DX-21X | 200 (52.8) | 200 (52.8) | 200 (52.8) | - | ||||
| DMG-04-2DX-21X | 200 (52.8) | 200 (52.8) | 200 (52.8) | - | ||||
| DMG-04-2BX-21X | 90 (23.8) | 60 (15.9) | 50 (13.2) | - | 7.9 (17.4) | |||
| DMG-06-3CX-50X | 500 (132) | 500 (132) | 500 (132) | 500 (132) | 31.5 (4570) | 21 (3050) | 11.5 (25.4) | |
| DMG-06-3DX-50X | 500 (132) | 500 (132) | 500 (132) | 500 (132) | ||||
| DMG-06-2DX-50X | 500 (132) | 500 (132) | 500 (132) | 500 (132) | ||||
| DMG-06-2BX-50X | 420 (111) | 300 (79.3) | 250 (66.1) | 200 (52.8) | 12 (26.5) | |||
| DMG-10-3CX-40X | 1100 (291) | 1100 (291) | 1100 (291) | 1100 (291) | 31.5 (4570) | 21 (3050) | 48.2 (106) | |
| DMG-10-3DX-40X | 1100 (291) | 1100 (291) | 1100 (291) | 1100 (291) | ||||
| DMG-10-2DX-40X | 1100 (291) | 1100 (291) | 1100 (291) | 1100 (291) | ||||
| DMG-10-2BX-40X | 670 (177) | 350 (92.5) | 260 (68.7) | 200 () | 50 (110) | |||
ตารางเลือกรุ่น วาล์วควบคุมทิศทางด้วยมือ (Hydraulic || Manually Operated Directional Valves) รุ่น DMT-DMG Series
| F- | DM | T | -03 | -2 | B | 2 | A | -50 | * |
|---|---|---|---|---|---|---|---|---|---|
| ชีลชนิดพิเศษ | ชนิดวาล์ว | ลักษณะ การติดตั้ง | ขนาด วาล์ว | หมายเลข ตำแหน่ง วาล์ว | รูปแบบการทำงาน ของวาล์ว | ชนิด ก้านวาล์ว | วาล์วแบบ 2 ตำแหน่ง พิเศษ | Design Number | ช่องทางน้ำมัน ขาเข้า |
| ชีลชนิดพิเศษ สำหรับน้ำมัน สังเคราะห์ |
DM : Manually Operated Direc- tional Valves |
T : แบบเกลียว |
03 | 3 2 | C : สปิงกลางD : แบบล็อคตำแหน่ง B : สปิงข้าง |
2, 3 4, 40 5, 60 60, 7 8, 9 10, 11 12 |
A, B | 50 | None : Japanese Std. "JIS" 80 : European Design Std. 90 : N.american Design Std. |
| 06 06X |
30 | ||||||||
| 10 10X |
30 | ||||||||
| G : แบบวางฐาน |
01 | 10 | None : Japanese Std. "JIS"& European Design Std. 90 : N.american Design Std. |
||||||
| 03 | 50 | ||||||||
| 04 | 21 | ||||||||
| 06 | 50 | ||||||||
| 10 | 40 | ||||||||
| See the table below for combinations. | |||||||||
รายละเอียดชนิดก้านวาล์ว ของวาล์วควบคุมทิศทางด้วยมือ (Hydraulic || Manually Operated Directional Valves) รุ่น DMT-DMG Series
| ชนิดก้านวาล์ว | ||||||||||
|---|---|---|---|---|---|---|---|---|---|---|
| DMG-01 | DMT-03 DMG-03 | DMT-06X DMT-10X | DMG-04 DMG-06 DMG-10 | |||||||
| หมายเลขรุ่น | 3C 3D | 2D | 2B | 3C 3D | 2D | 2B | 3C 3D | 2D 2B | 3C 3D | 2D 2B |
2 ![]() |
0 | 0 | 0 | 0 | 0 | 0 | 0 | 0 | 0 | 0 |
3 ![]() |
0 | 0 | 0 | 0 | - | 0 | 0 | 0 | 0 | 0 |
4 ![]() |
0 | - | - | 0 | - | - | 0 | 0 | 0 | 0 |
40 ![]() |
0 | - | - | 0 | - | - | 0 | 0 | 0 | 0 |
5 ![]() |
0 | - | - | - | - | - | - | - | - | - |
| - | - | - | - | - | - | 0 | - | 0 | - | |
6 ![]() |
- | - | - | - | - | - | - | - | 0 | - |
| - | - | - | - | - | - | 0 | - | - | - | |
60 ![]() |
0 | - | - | 0 | - | - | - | - | 0 | - |
| - | - | - | - | - | - | 0 | - | - | - | |
7 ![]() |
0 | 0 | - | - | - | 0 | 0 | 0 | 0 | |
8 ![]() |
0 | 0 | 0 | - | - | 0 | 0 | 0 | - | - |
9 ![]() |
0 | - | - | 0 | - | - | 0 | - | 0 | - |
10 ![]() |
0 | - | - | 0 | - | - | 0 | - | 0 | - |
11 ![]() |
0 | - | - | - | - | - | 0 | - | 0 | - |
12 ![]() |
0 | - | - | 0 | - | - | 0 | - | 0 | - |
*หมายเหตุ

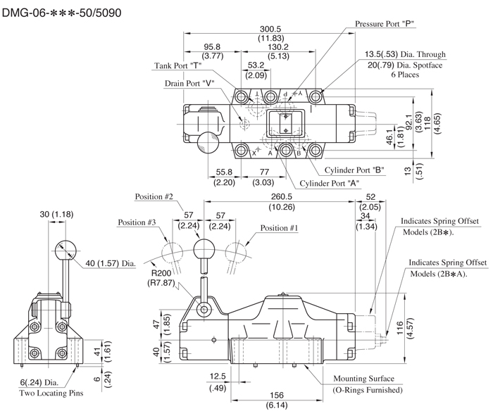
โครงสร้างวาล์วควบคุมทิศทางด้วยมือ (Hydraulic || Manually Operated Directional Valves) รุ่น DMT-DMG Series
























Your Lift