NACHI articulated robot - MZ07L
NACHI articulated robot - MZ07L
Download PDF
Model Numbers | Articulated robot - MZ07L
Example: MZ07-01, MZ07L-01
How to choose: MZ07 [ ](1) - 01 - [ ](2) [ ](3) [ ](4) - CFD - 000
| Number | Meaning | Code | Specification | Notes |
|---|---|---|---|---|
| (1) | Arm variation | None | 6 axes Standard arm | Max reach 723 mm |
| L | 6 axes Long arm | Max reach 912 mm | ||
| P | 5 axes Standard arm | Max reach 723 mm (does not have J4) | ||
| LP | 5 axes Long arm | Max reach 912 mm (does not have J4) | ||
| (2) | Application variation | O | Standard | Solenold valve: Up to 3 Signal wires: 10 wires |
| V | Vision sensor | Solenold valve: Up to 2 Signal wires: 10 wires LAN cable, Light cable |
||
| U | Vision sensor (cross laser) | Solenold valve: Up to 1 Signal wires: 10 wires LAN cable, Light cable, Laser cable |
||
| F | Force sensor | Solenold valve: Up to 1 Signal wires: 10 wires 6 freedom Force sensor cable |
||
| S | Additional | Solenold valve: Up to 1 Signal wires: 10 wires 1 motor and 1 encoder cable |
||
| (3) | Installation variation | O | Standard | J1 working envelope ± 30° at wall mounting |
| W | Wall mount | J1 working envelope ± 170° at wall mounting | ||
| (4) | Connection variation | O | Rear connection | Robot to controller cable is connected at robot rear |
| B | Bottom connection | Robot to controller cable is connected at robot bottom |
Specifications | Articulated robot - MZ07L
| NACHI | Articulated robot - MZ07L | |
|---|---|---|
| Construction | Articulated | |
| Number of axis | 6 | |
| Drive system | AC servo motor | |
| Max. working envelope | Axis 1 | ± 170 ° |
| Axis 2 | - 135 ~ 80 ° | |
| Axis 3 | - 139 ~ 270 ° | |
| Axis 4 | ± 190 ° | |
| Axis 5 | ± 120 ° | |
| Axis 6 | ± 360 ° | |
| Max. speed*6 | Axis 1 | 300 °/s |
| Axis 2 | 280 °/s | |
| Axis 3 | 360 °/s | |
| Axis 4 | 550 °/s | |
| Axis 5 | 550 °/s | |
| Axis 6 | 1000 °/s | |
| Max. pay load | Wrist | 7 kg |
| Allowable static load torque | Axis 4 | 16.6 N•m |
| Axis 5 | 16.6 N•m | |
| Axis 6 | 9.4 N•m | |
| Allowable moment of inertia *1 | Axis 4 | 0.47 kg•m2 |
| Axis 5 | 0.47 kg•m2 | |
| Axis 6 | 0.15 kg•m2 | |
| Position repeatability *2 | ± 0.03 mm | |
| Max. reach | 912 mm | |
| Air tubes | φ 6x2 | |
| Application signal wires | 10 wires | |
| Installation *3 | Floor mount / Wall mount / Angle mount / Ceiling mount | |
| Ambient conditions | Temperature: 0 to 45 °C *4 Humidity: 20 to 85%RH (No dew condensation allowed) Vibration to the installation face: Not more than 0.5G (4.9 m/s2) |
|
| Dust-proof / Drip-proof performance *5 | IP67 equivalent (Dust and Drain proof-type) | |
| Cleanlines *7 | ISO 14644-1 Class 4 equivalent | |
| Noise *8 | 70.2 dB | |
| Robot mass | 32 kg | |
- 1[rad] = 180/π[°], 1[N・m] = 1/9.8[kgf・m]
- On controller display, axis 1 to 6 is displayed as J1 to J6 for each.
- The specification and externals described in this specifications might change without a previous notice for the improvement.
- Explosion-proof is not available.
- * The Allowable moment of inertia of a wrist changes with load conditions of a wrist.
- * This value conforms to "JIS B 8432".
- * Working envelop is limited when wall mount and angle mount. (Example; axis 1 working envelop is ±30° in case of wallmount)
- * Permitted height is not higher than 1,000m above sea level. If used in higher place, permitted temperature is affected by height.
- * Liquid such as organic compound, acidity, alkalinity, chlorine or gasoline cutting fluid which deterioratesthe seal material are not available to use.
- * The "Max. speed" in this table is the available maximum value and will change depending on the work-program and the wrist load condition.
- * If this cleanliness needs to be kept, use robot in a clean room where down flow air exists. Robot is not dust-tight packaged. If robot is used in clean room, abrasive or fine particles shall be removed before carrying it in clean room.
- * Robot noise is A-weighted equivalent sound level measured under “JIS Z 8737-1” (ISO 11201) with max. payload and max. speed.
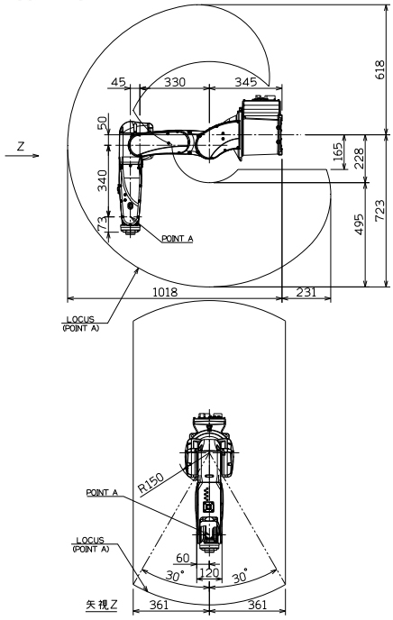
Dimensions | Articulated robot - MZ07L

Wall Mount

Features | Articulated robot - MZ07L
Support the weight of the gripper not more than 7 kg, the horizontal reach distance can be as far as 912 mm and the vertical reach distance can be as far as 1602 mm. Pick up, suck the workpiece to place , Check the quality by installing a camera, Picked up into the machine and Take out the machine, assemble the workpiece, pick the packaging
NACHI articulated robot - MZ07L
ดาวน์โหลด PDF
เลือกรุ่นสินค้า | Articulated robot - MZ07L
ตัวอย่าง: MZ07-01, MZ07L-01
วิธีการเลือก: MZ07 [ ](1) - 01 - [ ](2) [ ](3) [ ](4) - CFD - 000
| หมายเลข | ความหมาย | รหัส | สเปค | หมายเหตุ |
|---|---|---|---|---|
| (1) | รูปแบบแขน | ไม่มี | 6 แกน แขนมาตรฐาน | ระยะเอื้อม สูงสุด 723 mm |
| L | 6 แกน แขนยาว | ระยะเอื้อม สูงสุด mm | ||
| P | 5 แกน แขนมาตรฐาน | ระยะเอื้อม สูงสุด mm (ไม่มี J4) | ||
| LP | 5 แกน แขนยาว | Max reach 912 mm (ไม่มี J4) | ||
| (2) | รูปแบบการใช้งาน | O | มาตรฐาน | Solenold valve: Up to 3 Signal wires: 10 สาย |
| V | Vision sensor | Solenold valve: Up to 2 Signal wires: 10 สาย LAN cable, Light cable |
||
| U | Vision sensor (cross laser) | Solenold valve: Up to 1 Signal wires: 10 สาย LAN cable, Light cable, Laser cable |
||
| F | Force sensor | Solenold valve: Up to 1 Signal wires: 10 สาย 6 freedom Force sensor cable |
||
| S | Additional | Solenold valve: Up to 1 Signal wires: 10 สาย 1 motor and 1 encoder cable |
||
| (3) | รูปแบบการติดตั้ง | O | Standard | J1 working envelope ± 30° at wall mounting |
| W | Wall mount | J1 working envelope ± 170° at wall mounting | ||
| (4) | รูปแบบการเชื่อมต่อ | O | การเชื่อมต่อด้านหลัง | เชื่อมต่อสายเคเบิลของหุ่นยนต์กับคอนโทรลเลอร์ที่ด้านหลังของหุ่นยนต์ |
| B | การเชื่อมต่อด้านล้าง | เชื่อมต่อสายเคเบิลของหุ่นยนต์กับคอนโทรลเลอร์ที่ด้านล่างของหุ่นยนต์ |
ข้อมูลทางเทคนิค | Articulated robot - MZ07L
| NACHI | Articulated robot - MZ07L | |
|---|---|---|
| โครงสร้าง | ข้อต่อ | |
| จำนวนแกน | 6 | |
| ระบบขับเคลื่อน | มอเตอร์เซอร์โว AC | |
| การทำงาน | แกน 1 | ± 170 ° |
| แกน 2 | - 135 ~ 80 ° | |
| แกน 3 | - 139 ~ 270 ° | |
| แกน 4 | ± 190 ° | |
| แกน 5 | ± 120 ° | |
| แกน 6 | ± 360 ° | |
| ความเร็วสูงสุด *6 | แกน 1 | 300 °/s |
| แกน 2 | 280 °/s | |
| แกน 3 | 360 °/s | |
| แกน 4 | 550 °/s | |
| แกน 5 | 550 °/s | |
| แกน 6 | 1000 °/s | |
| รับน้ำหนักสูงสุด | ข้อมือ | 7 kg |
| แรงบิดโหลดคงที่ที่อนุญาต | แกน 4 | 16.6 N•m |
| แกน 5 | 16.6 N•m | |
| แกน 6 | 9.4 N•m | |
| โมเมนต์ความเฉื่อยที่อนุญาต * 1 | แกน 4 | 0.47 kg•m2 |
| แกน 5 | 0.47 kg•m2 | |
| แกน 6 | 0.15 kg•m2 | |
| การทำซ้ำตำแหน่ง *2 | ± 0.03 mm | |
| ระยะเอื้อม | 912 mm | |
| ท่ออากาศ | φ 6x2 | |
| สายสัญญาณแอปพลิเคชัน | 10 สาย | |
| การติดตั้ง *3 | ติดตั้งบนพื้น / ผนัง / เอียง / คว่ำ | |
| สภาพแวดล้อม | อุณหภูมิ: 0 to 45 °C *4 ความชื้น: 20 ถึง 85% RH (ไม่อนุญาตให้มีการกลั่นตัวเป็นหยดน้ำ) การสั่นสะเทือนที่หน้าติดตั้ง: ไม่เกิน 0.5 G (4.9 m/s2 ) |
|
| ประสิทธิภาพการป้องกันฝุ่น / น้ำหยด *5 | เทียบเท่า IP67 (ชนิดป้องกันฝุ่นและท่อระบายน้ำ) | |
| คลีนไลน์ *7 | ISO 14644-1 Class 4 equivalent | |
| เสียงรบกวน *8 | 70.2 dB | |
| น้ำหนัก | 32 kg | |
- 1 [rad] = 180 / π [°], 1 [N ・ m] = 1 / 9.8 [kgf ・ m]
- บนจอแสดงผลของคอนโทรลเลอร์แกน 1 ถึง 6 จะแสดงเป็น J1 ถึง J6 สำหรับแต่ละแกน
- ข้อมูลจำเพาะและภายนอกที่อธิบายไว้ในข้อกำหนดนี้อาจเปลี่ยนแปลงได้โดยไม่ต้องแจ้งให้ทราบล่วงหน้าสำหรับการปรับปรุง
- ไม่มีการป้องกันการระเบิด
- * ช่วงเวลาแห่งความเฉื่อยของข้อมือที่อนุญาตจะเปลี่ยนแปลงไปตามเงื่อนไขการรับน้ำหนักของข้อมือ
- * ค่านี้เป็นไปตาม "JIS B 8432"
- * ซองใส่ทำงานมีข้อ จำกัด เมื่อยึดติดผนังและตัวยึดมุม (ตัวอย่างซองทำงานแกน 1 อยู่ที่± 30 °ในกรณีติดผนัง)
- * อนุญาตให้มีความสูงไม่เกิน 1,000 เมตรเหนือระดับน้ำทะเล หากใช้ในสถานที่ที่สูงขึ้นอุณหภูมิที่อนุญาตจะมีผลต่อความสูง
- * ของเหลวเช่นสารประกอบอินทรีย์ความเป็นกรดความเป็นด่างคลอรีนหรือน้ำมันตัดกลึงน้ำมันเบนซินที่เสื่อมสภาพวัสดุปิดผนึกไม่สามารถใช้ได้
- * "ความเร็วสูงสุด" ในตารางนี้คือค่าสูงสุดที่มีอยู่และจะเปลี่ยนแปลงไปตามโปรแกรมงานและเงื่อนไขการรับน้ำหนักของข้อมือ
- * หากจำเป็นต้องรักษาความสะอาดนี้ให้ใช้หุ่นยนต์ในห้องสะอาดที่มีอากาศไหลลง หุ่นยนต์ไม่ได้บรรจุหีบห่อแน่นหนา หากใช้หุ่นยนต์ในห้องปลอดเชื้อต้องกำจัดอนุภาคที่มีฤทธิ์กัดกร่อนหรือละเอียดออกก่อนที่จะนำไปไว้ในห้องปลอดเชื้อ
- * เสียงรบกวนของหุ่นยนต์เป็นระดับเสียงเทียบเท่า A-weighted ที่วัดได้ภายใต้“ JIS Z 8737-1” (ISO 11201) โดยมีค่าสูงสุด น้ำหนักบรรทุกและสูงสุด ความเร็ว.
ขนาด | Articulated robot - MZ07L

การติดตั้งผนัง
คุณสมบัติ | Articulated robot - MZ07L
รับน้ำหนักร่วมกรีปเปอร์ ไม่เกิน 7 กิโลกรัม ระยะเอื้อมในแนวนอนไปได้ไกลสุด 912 มิลลิเมตร และระยะเอื้อมในแนวตั้งไปได้ไกลสุด 1602 มิลลิเมตร การใช้งานหยิบจับ, ดูดชิ้นงานไปวาง, ตรวจสอบคุณภาพด้วยการติดกล้อง, หยิบเข้าเข้าเครื่อง และหยิบออกจากเครื่องจักร, ประกอบชิ้นงาน, หยิบบรรจุภัณฑ์




Your Lift