Hiwin Ironless Motors - LMCC series
The HIWIN LMCC series: LMCC = Height of stator = 103mm, Peak: 98N - 1173N / Continuous: 24N - 293N
Linear Ironless Motors - LMCC
The HIWIN LMC coreless U-shaped linear motor has no cogging, an excellent low velocity ripple and excellent dynamic characteristics. With no attraction between forcers and stators and very low-profille structure, the motor can be applied to the installation platform without deformation and has a light load demand for continuous movement curve. For exemple: high-speed, light-load automation equipment, dust-free environment automation equipment, flat panel equipment, optical detection quipment, scanning electron microscope equipment, semiconductor equipment.
ดาวน์โหลดไฟล์ PDF

Feature | Ironless Motors - LMCC series
- Three-phase
- Excellent dynamic characteristics
- Excellent synchronization and high speed coordination
- Small inertia, high acceleration
- Low installation height
- No cogging
- No attraction between force
- Same movement axis can with multiple forcers
Force Chart | Ironless Motors - LMCC series

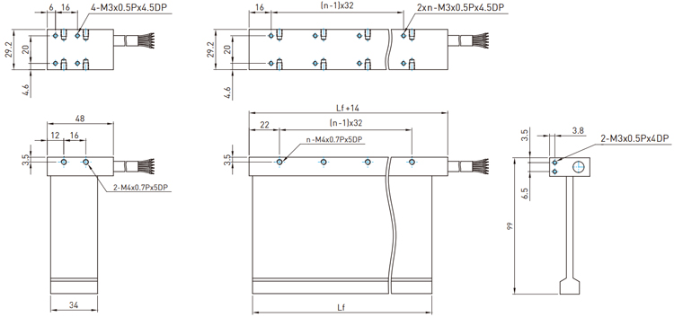
Code | Ironless Motors - LMCC series

Specifications | Ironless Motors - LMCC series
| Detail | Symbol | Unit | LMCC1 | LMCC2 | LMCC3 | LMCC4 | LMCC5 | LMCC6 | LMCC7 | LMCC8 | LMCCA | LMCCC |
|---|---|---|---|---|---|---|---|---|---|---|---|---|
| Cnotinuous force | Fc | N | 24 | 49 | 73 | 98 | 122 | 147 | 171 | 195 | 244 | 293 |
| Continuous cerrent | Lc | Arms | 2.0 | 2.0 | 2.0 | 2.0 | 2.0 | 2.0 | 2.0 | 2.0 | 2.0 | 2.0 |
| Peak force (1s) | Fp | N | 98 | 195 | 293 | 391 | 489 | 586 | 684 | 780 | 977 | 1173 |
| Peak current (1s) | Ip | Arms | 8.0 | 8.0 | 8.0 | 8.0 | 8.0 | 8.0 | 8.0 | 8.0 | 8.0 | 8.0 |
| Force constant | Kf | N/Arms | 12.2 | 24.4 | 36.6 | 48.8 | 61.0 | 73.2 | 85.4 | 97.5 | 122.0 | 146.4 |
| Maximum winding temperature | Tmax | °C | 100 | |||||||||
| Electrical time constant | Ke | ms | 0.3 | 0.3 | 0.3 | 0.3 | 0.3 | 0.3 | 0.3 | 0.3 | 0.3 | 0.3 |
| Resistance (line to line 25°C) | R25 | Ω | 2.3 | 4.5 | 6.8 | 9.0 | 11.3 | 13.5 | 15.8 | 18.2 | 22.6 | 27.1 |
| Inductance (line to line) | L | mH | 0.8 | 1.6 | 2.4 | 3.1 | 3.9 | 4.7 | 5.5 | 6.3 | 7.9 | 9.4 |
| Pole pair pitch | 2T | mm | 32 | |||||||||
| Minimum bending radius of cable | Rbend | mm | 37.5 | |||||||||
| Back emf constant (line to line) | Kv | Vrms/(m/s) | 6.5 | 13.0 | 19.5 | 25.9 | 32.4 | 38.9 | 45.4 | 51.9 | 64.9 | 77.8 |
| Motor constant (25°C) | Km | N/✓W | 6.6 | 9.4 | 11.5 | 13.3 | 14.8 | 16.3 | 17.6 | 18.7 | 21.0 | 23.0 |
| Thermal resistance | RTH | °C/W | 4.42 | 2.21 | 1.47 | 1.11 | 0.88 | 0.74 | 0.63 | 0.55 | 0.44 | 0.37 |
| Thermal switch | - | - | PTC | |||||||||
| Maximum DC bus voltage | - | VDC | 330 | |||||||||
| Mass of forcer | Mf | kg | 0.11 | 0.21 | 0.32 | 0.42 | 0.53 | 0.63 | 0.74 | 0.76 | 1.06 | 1.27 |
| Unit mass of stator | Ms | kg/m | 21 | |||||||||
| Length of forcer/dimension n | Lf | mm | 34 | 66/2 | 98/3 | 130/4 | 162/5 | 194/6 | 226/7 | 258/8 | 322/10 | 386/12 |
| Lengtth of stator/dimension N | Ls | mm | 128mm/N=2, 192mm/N=3, 320mm/N=5 | |||||||||
- Values in this table are motor at 25°C ambient temperature and no forced cooling.
- Except diemensions, the electrical specifications are in ±10% of tolerance.
- We reserve the right of changes, please follow customer recognition drawings.




Your Lift