HIWIN Linear Guide - QH series
HIWIN ได้พัฒนาลิเนียร์ไกด์ QH ซึ่งภายในจะมีแถวเม็ดลูกปืนสี่แถว QH จะมีเทคโนโลยี ซิ้งค์โมชั่น ซึ่งก็คือรังพลาสติคที่กั้นระหว่างเม็ดลูกปืนทำให้การเคลื่อนที่ราบรื่น การหล่อลื่นทำได้ดีกว่า การทำงานเงียบและอายุการใช้งานนาน ดังนั้น ลิเนียร์ไกด์ QH สามารถใช้ในอุตสาหกรรมที่ต้องการความเร็ว เสียงรบกวนต่ำ และงานที่ไม่ต้องการให้เกิดฝุ่นละออง QH ยังสามารถเปลี่ยนใช้กับ HG ได้
ดาวน์โหลดไฟล์ PDFConfiguration
Features | HIWIN Linear Guide - QH series
- มีแถวเม็ดลูกปืน 4 แถว
- มีเทคโนโลยี ซิ่งค์โมชั่น ซึ่งก็คือรังพลาสติกกั้นระหว่างลูกปืน
- มีการเคลื่อนที่ราบรื่น การหล่อลื่นทำได้ดีกว่า การทำงานเงียบ และอายุการใช้งานนาน
- เหมาะสำหรับใช้ในงานอุตสาหกรรมต่างๆ ที่ต้องการความรวดเร็ว มีเสียงรบกวนต่ำ และงานที่ไม่ต้องการให้เกิดฝุ่นละออง
- สามารถเปลี่ยนใช้กับ HG series ได้
- ระดับความแม่นยำ
- C = ปกติ
- H = สูง
- P = แม่นยำ
- SP = แม่นยำสูง
- UP = แม่นยำสูงที่สุด
- ระดับการับน้ำหนักเริ่มต้น
- Z0 = น้ำหนักปกติ
- ZA = น้ำหนักปานกลาง
- ZB = น้ำหนักสูง
Assembly Code | HIWIN Linear Guide - QH series

Block Code | HIWIN Linear Guide - QH series

Rail Code | HIWIN Linear Guide - QH series

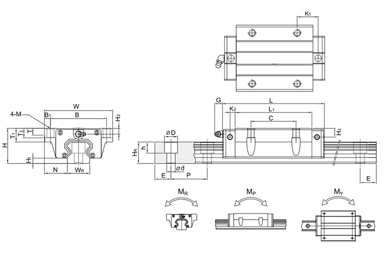
Specifications | HIWIN Linear Guide - QH series
QHH-CA / QHH-HA

Model | Dimensions of Assembly(mm) | Dimensions of Block(mm) | Dimensions of Rail(mm) | Mounting Bolt for Rail | Basic Dynamic Load Rating | Basic Static Load Rating | Static Rated Moment | Weight | |||||||||||||||||||||||
---|---|---|---|---|---|---|---|---|---|---|---|---|---|---|---|---|---|---|---|---|---|---|---|---|---|---|---|---|---|---|---|
H | H1 | N | W | B | B1 | C | L1 | L | K1 | K2 | G | Mxl | T | H2 | H3 | WR | HR | D | h | d | P | E | (mm) | C(kN) | C0(kN) | MR(kN-m) | MP(kN-m) | MY(kN-m) | Block(kg) | Rail(kg/m) | |
QHH15CA | 28 | 4 | 9.5 | 34 | 26 | 4 | 26 | 39.4 | 61.4 | 10 | 5 | 5.3 | M4 x 5 | 6 | 7.95 | 8.2 | 15 | 15 | 7.5 | 5.3 | 4.5 | 60 | 20 | M4x16 | 17.94 | 19.86 | 0.1 | 0.08 | 0.08 | 0.18 | 1.45 |
QHH20CA | 30 | 4.6 | 12 | 44 | 32 | 6 | 36 | 50.5 | 76.7 | 11.75 | 6 | 12 | M5 x 6 | 8 | 6 | 6 | 20 | 17.5 | 9.5 | 8.5 | 6 | 60 | 20 | M5x16 | 30 | 33.86 | 0.26 | 0.19 | 0.19 | 0.29 | 2.21 |
QHH20HA | 30 | 4.6 | 12 | 44 | 32 | 6 | 50 | 65.2 | 91.4 | 12.1 | 6 | 12 | M5 x 6 | 8 | 6 | 6 | 20 | 17.5 | 9.5 | 8.5 | 6 | 60 | 20 | M5x16 | 35.7 | 42.31 | 0.31 | 0.27 | 0.27 | 0.38 | 2.21 |
QHH25CA | 40 | 5.5 | 12.5 | 48 | 35 | 6.5 | 35 | 58 | 83.4 | 15.7 | 6 | 12 | M6 x8 | 8 | 10 | 9 | 23 | 22 | 11 | 9 | 7 | 60 | 20 | M6x20 | 41.9 | 48.75 | 0.39 | 0.31 | 0.31 | 0.5 | 3.21 |
QHH25HA | 40 | 5.5 | 12.5 | 48 | 35 | 6.5 | 50 | 78.6 | 104 | 18.5 | 6 | 12 | M6 x8 | 8 | 10 | 9 | 23 | 22 | 11 | 9 | 7 | 60 | 20 | M6x20 | 50.61 | 60.94 | 0.5 | 0.45 | 0.45 | 0.68 | 3.21 |
QHH30CA | 45 | 6 | 16 | 60 | 40 | 10 | 40 | 70 | 97.4 | 19.5 | 6.25 | 12 | M8x10 | 8.5 | 9.5 | 9 | 28 | 26 | 14 | 12 | 9 | 80 | 20 | M8x25 | 58.26 | 66.34 | 0.6 | 0.5 | 0.5 | 0.87 | 4.47 |
QHH30HA | 45 | 6 | 16 | 60 | 40 | 10 | 60 | 93 | 120.4 | 21.75 | 6.25 | 12 | M8x10 | 8.5 | 9.5 | 9 | 28 | 26 | 14 | 12 | 9 | 80 | 20 | M8x25 | 70.32 | 88.45 | 0.83 | 0.89 | 0.89 | 1.15 | 4.47 |
QHH35CA | 55 | 7.5 | 18 | 70 | 50 | 10 | 50 | 80 | 113.6 | 19 | 7.5 | 12 | M8x12 | 10.2 | 15.5 | 13.5 | 34 | 29 | 14 | 12 | 9 | 80 | 20 | M8x25 | 78.89 | 86.66 | 1.07 | 0.76 | 0.76 | 1.44 | 6.3 |
QHH35HA | 55 | 7.5 | 18 | 70 | 50 | 10 | 72 | 105.8 | 139.4 | 20.9 | 7.5 | 12 | M8x12 | 10.2 | 15.5 | 13.5 | 34 | 29 | 14 | 12 | 9 | 80 | 20 | M8x25 | 95.23 | 115.55 | 1.45 | 1.33 | 1.33 | 1.9 | 6.3 |
QHH45CA | 70 | 9.2 | 20.5 | 86 | 60 | 13 | 60 | 97 | 139.4 | 23 | 10 | 12.9 | M10x17 | 16 | 18.5 | 20 | 45 | 38 | 20 | 17 | 14 | 105 | 22.5 | M12x35 | 119.4 | 135.42 | 1.83 | 1.38 | 1.38 | 2.72 | 10.41 |
QHH45HA | 70 | 9.2 | 20.5 | 86 | 60 | 13 | 80 | 128.8 | 171.2 | 29.09 | 10 | 12.9 | M10x17 | 16 | 18.5 | 20 | 45 | 38 | 20 | 17 | 14 | 105 | 22.5 | M12x35 | 144.13 | 180.56 | 2.47 | 2.41 | 2.41 | 3.59 | 10.41 |
QHW-CA / QHW-HA

Model | Dimensions of Assembly(mm) | Dimensions of Block(mm) | Dimensions of Rail(mm) | Mounting Bolt for Rail | Basic Dynamic Load Rating | Basic Static Load Rating | Static Rated Moment | Weight | ||||||||||||||||||||||||
---|---|---|---|---|---|---|---|---|---|---|---|---|---|---|---|---|---|---|---|---|---|---|---|---|---|---|---|---|---|---|---|---|
H | H1 | N | W | B | B1 | C | L1 | L | K1 | K2 | G | M | T | T1 | H2 | H3 | WR | HR | D | h | d | P | E | (mm) | C(kN) | C0(kN) | MR(kN-m) | MP(kN-m) | MY(kN-m) | Block(kg) | Rail(kg/m) | |
QHW15CA | 24 | 4 | 16 | 47 | 38 | 4.5 | 30 | 39.4 | 61.4 | 8 | 5 | 5.3 | M5 | 6 | 8.9 | 3.95 | 4.2 | 15 | 15 | 7.5 | 5.3 | 4.5 | 60 | 20 | M4x16 | 17.94 | 19.86 | 0.1 | 0.08 | 0.08 | 0.17 | 1.45 |
QHW20CA | 30 | 4.6 | 21.5 | 63 | 53 | 5 | 40 | 50.5 | 76.7 | 9.75 | 6 | 12 | M6 | 8 | 10 | 6 | 6 | 20 | 17.5 | 9.5 | 8.5 | 6 | 60 | 20 | M5x16 | 30 | 33.86 | 0.26 | 0.19 | 0.19 | 0.4 | 2.21 |
QHW20HA | 30 | 4.6 | 21.5 | 63 | 53 | 5 | 40 | 65.2 | 91.4 | 17.1 | 6 | 12 | M6 | 8 | 10 | 6 | 6 | 20 | 17.5 | 9.5 | 8.5 | 6 | 60 | 20 | M5x16 | 35.7 | 42.31 | 0.31 | 0.27 | 0.27 | 0.52 | 2.21 |
QHW25CA | 36 | 5.5 | 23.5 | 70 | 57 | 6.5 | 45 | 58 | 83.4 | 10.7 | 6 | 12 | M8 | 8 | 14 | 6 | 5 | 23 | 22 | 11 | 9 | 7 | 60 | 20 | M6x20 | 41.9 | 48.75 | 0.39 | 0.31 | 0.31 | 0.59 | 3.21 |
QHW25HA | 36 | 5.5 | 23.5 | 70 | 57 | 6.5 | 45 | 78.6 | 104 | 21 | 6 | 12 | M8 | 8 | 14 | 6 | 5 | 23 | 22 | 11 | 9 | 7 | 60 | 20 | M6x20 | 50.61 | 60.94 | 0.5 | 0.45 | 0.45 | 0.8 | 3.21 |
QHW30CA | 42 | 6 | 31 | 90 | 72 | 9 | 52 | 70 | 97.4 | 13.5 | 6.25 | 12 | M10 | 8.5 | 16 | 6.5 | 6 | 28 | 26 | 14 | 12 | 9 | 80 | 20 | M8x25 | 58.26 | 66.34 | 0.6 | 0.5 | 0.5 | 1.09 | 4.47 |
QHW30HA | 42 | 6 | 31 | 90 | 72 | 9 | 52 | 93 | 120.4 | 25.75 | 6.25 | 12 | M10 | 8.5 | 16 | 6.5 | 6 | 28 | 26 | 14 | 12 | 9 | 80 | 20 | M8x25 | 70.32 | 88.45 | 0.83 | 0.89 | 0.89 | 1.44 | 4.47 |
QHW35CA | 48 | 7.5 | 33 | 100 | 82 | 9 | 62 | 80 | 113.6 | 13 | 7.5 | 12 | M10 | 10.1 | 18 | 8.5 | 6.5 | 34 | 29 | 14 | 12 | 9 | 80 | 20 | M8x25 | 78.89 | 86.66 | 1.07 | 0.76 | 0.76 | 1.56 | 6.3 |
QHW35HA | 48 | 7.5 | 33 | 100 | 82 | 9 | 62 | 105.8 | 139.4 | 25.9 | 7.5 | 12 | M10 | 10.1 | 18 | 8.5 | 6.5 | 34 | 29 | 14 | 12 | 9 | 80 | 20 | M8x25 | 95.23 | 115.55 | 1.45 | 1.33 | 1.33 | 2.06 | 6.3 |
QHW45CA | 60 | 9.2 | 37.5 | 120 | 100 | 10 | 80 | 97 | 139.4 | 13 | 10 | 12.9 | M12 | 15.1 | 22 | 8.5 | 10 | 45 | 38 | 20 | 17 | 14 | 105 | 22.5 | M12x35 | 119.4 | 135.42 | 1.83 | 1.38 | 1.38 | 2.79 | 10.41 |
QHW45HA | 60 | 9.2 | 37.5 | 120 | 100 | 10 | 80 | 128.8 | 171.2 | 28.9 | 10 | 12.9 | M12 | 15.1 | 22 | 8.5 | 10 | 45 | 38 | 20 | 17 | 14 | 105 | 22.2 | M12x35 | 144.13 | 180.56 | 2.47 | 2.41 | 2.41 | 3.69 | 10.41 |
QHW-CB / QHW-HB

Model | Dimensions of Assembly(mm) | Dimensions of Block(mm) | Dimensions of Rail(mm) | Mounting Bolt for Rail | Basic Dynamic Load Rating | Basic Static Load Rating | Static Rated Moment | Weight | |||||||||||||||||||||||||
---|---|---|---|---|---|---|---|---|---|---|---|---|---|---|---|---|---|---|---|---|---|---|---|---|---|---|---|---|---|---|---|---|---|
H | H1 | N | W | B | B1 | C | L1 | L | K1 | K2 | G | M | T | T1 | T2 | H2 | H3 | WR | HR | D | h | d | P | E | (mm) | C(kN) | C0(kN) | MR(kN-m) | MP(kN-m) | MY(kN-m) | Block(kg) | Rail(kg/m) | |
QHW15CB | 24 | 4 | 16 | 47 | 38 | 4.5 | 30 | 39.4 | 61.4 | 8 | 5 | 5.3 | Ø4.5 | 6 | 8.9 | 6.95 | 3.95 | 4.2 | 15 | 15 | 7.5 | 5.3 | 4.5 | 60 | 20 | M4x16 | 17.94 | 19.86 | 0.1 | 0.08 | 0.08 | 0.17 | 1.45 |
QHW20CB | 30 | 4.6 | 21.5 | 63 | 53 | 5 | 40 | 50.5 | 76.7 | 9.75 | 6 | 12 | Ø6 | 8 | 10 | 9.5 | 6 | 6 | 20 | 17.5 | 9.5 | 8.5 | 6 | 60 | 20 | M5x16 | 30 | 33.86 | 0.26 | 0.19 | 0.19 | 0.4 | 2.21 |
QHW20HB | 30 | 4.6 | 21.5 | 63 | 53 | 5 | 40 | 65.2 | 91.4 | 17.1 | 6 | 12 | Ø6 | 8 | 10 | 9.5 | 6 | 6 | 20 | 17.5 | 9.5 | 8.5 | 6 | 60 | 20 | M5x16 | 35.7 | 42.31 | 0.31 | 0.27 | 0.27 | 0.52 | 2.21 |
QHW25CB | 36 | 5.5 | 23.5 | 70 | 57 | 6.5 | 45 | 58 | 83.4 | 10.7 | 6 | 12 | Ø7 | 8 | 14 | 10 | 6 | 5 | 23 | 22 | 11 | 9 | 7 | 60 | 20 | M6x20 | 41.9 | 48.75 | 0.39 | 0.31 | 0.31 | 0.59 | 3.21 |
QHW25HB | 36 | 5.5 | 23.5 | 70 | 57 | 6.5 | 45 | 78.6 | 104 | 21 | 6 | 12 | Ø7 | 8 | 14 | 10 | 6 | 5 | 23 | 22 | 11 | 9 | 7 | 60 | 20 | M6x20 | 50.61 | 60.94 | 0.5 | 0.45 | 0.45 | 0.8 | 3.21 |
QHW30CB | 42 | 6 | 31 | 90 | 72 | 9 | 52 | 70 | 97.4 | 13.5 | 6.25 | 12 | Ø9 | 8.5 | 16 | 10 | 6.5 | 6 | 28 | 26 | 14 | 12 | 9 | 80 | 20 | M8x25 | 58.26 | 66.34 | 0.6 | 0.5 | 0.5 | 1.09 | 4.47 |
QHW30HB | 42 | 6 | 31 | 90 | 72 | 9 | 52 | 93 | 120.4 | 25.75 | 6.25 | 12 | Ø9 | 8.5 | 16 | 10 | 6.5 | 6 | 28 | 26 | 14 | 12 | 9 | 80 | 20 | M8x25 | 70.32 | 88.45 | 0.83 | 0.89 | 0.89 | 1.44 | 4.47 |
QHW35CB | 48 | 7.5 | 33 | 100 | 82 | 9 | 62 | 80 | 113.6 | 13 | 7.5 | 12 | Ø9 | 10.1 | 18 | 13 | 8.5 | 6.5 | 34 | 29 | 14 | 12 | 9 | 80 | 20 | M8x25 | 78.89 | 86.66 | 1.07 | 0.76 | 0.76 | 1.56 | 6.3 |
QHW35HB | 48 | 7.5 | 33 | 100 | 82 | 9 | 62 | 105.8 | 139.4 | 25.9 | 7.5 | 12 | Ø9 | 10.1 | 18 | 13 | 8.5 | 6.5 | 34 | 29 | 14 | 12 | 9 | 80 | 20 | M8x25 | 95.23 | 115.55 | 1.45 | 1.33 | 1.33 | 2.06 | 6.3 |
QHW45CB | 60 | 9.2 | 37.5 | 120 | 100 | 10 | 80 | 97 | 139.4 | 13 | 10 | 12.9 | Ø11 | 15.1 | 22 | 15 | 8.5 | 10 | 45 | 38 | 20 | 17 | 14 | 105 | 22.5 | M12x35 | 119.4 | 135.42 | 1.83 | 1.38 | 1.38 | 2.79 | 10.41 |
QHW45HB | 60 | 9.2 | 37.5 | 120 | 100 | 10 | 80 | 128.8 | 171.2 | 28.9 | 10 | 12.9 | Ø11 | 15.1 | 22 | 15 | 8.5 | 10 | 45 | 38 | 20 | 17 | 14 | 105 | 22.5 | M12x35 | 144.13 | 180.56 | 2.47 | 2.41 | 2.41 | 3.69 | 10.41 |
QHW-CC / QHW-HC

Model | Dimensions of Assembly(mm) | Dimensions of Block(mm) | Dimensions of Rail(mm) | Mounting Bolt for Rail | Basic Dynamic Load Rating | Basic Static Load Rating | Static Rated Moment | Weight | |||||||||||||||||||||||||
---|---|---|---|---|---|---|---|---|---|---|---|---|---|---|---|---|---|---|---|---|---|---|---|---|---|---|---|---|---|---|---|---|---|
H | H1 | N | W | B | B1 | C | L1 | L | K1 | K2 | G | M | T | T1 | T2 | H2 | H3 | WR | HR | D | h | d | P | E | (mm) | C(kN) | C0(kN) | MR(kN-m) | MP(kN-m) | MY(kN-m) | Block(kg) | Rail(kg/m) | |
QHW15CC | 24 | 4 | 16 | 47 | 38 | 4.5 | 30 | 39.4 | 61.4 | 8 | 5 | 5.3 | M5 | 6 | 8.9 | 6.95 | 3.95 | 4.2 | 15 | 15 | 7.5 | 5.3 | 4.5 | 60 | 20 | M4x16 | 17.94 | 19.86 | 0.1 | 0.08 | 0.08 | 0.17 | 1.45 |
QHW20CC | 30 | 4.6 | 21.5 | 63 | 53 | 5 | 40 | 50.5 | 76.7 | 9.75 | 6 | 12 | M6 | 8 | 10 | 9.5 | 6 | 6 | 20 | 17.5 | 9.5 | 8.5 | 6 | 60 | 20 | M5x16 | 30 | 33.86 | 0.26 | 0.19 | 0.19 | 0.4 | 2.21 |
QHW20HC | 30 | 4.6 | 21.5 | 63 | 53 | 5 | 40 | 65.2 | 91.4 | 17.1 | 6 | 12 | M6 | 8 | 10 | 9.5 | 6 | 6 | 20 | 17.5 | 9.5 | 8.5 | 6 | 60 | 20 | M5x16 | 35.7 | 42.31 | 0.31 | 0.27 | 0.27 | 0.52 | 2.21 |
QHW25CC | 36 | 5.5 | 23.5 | 70 | 57 | 6.5 | 45 | 58 | 83.4 | 10.7 | 6 | 12 | M8 | 8 | 14 | 10 | 6 | 5 | 23 | 22 | 11 | 9 | 7 | 60 | 20 | M6x20 | 41.9 | 48.75 | 0.39 | 0.31 | 0.31 | 0.59 | 3.21 |
QHW25HC | 36 | 5.5 | 23.5 | 70 | 57 | 6.5 | 45 | 78.6 | 104 | 21 | 6 | 12 | M8 | 8 | 14 | 10 | 6 | 5 | 23 | 22 | 11 | 9 | 7 | 60 | 20 | M6x20 | 50.61 | 60.94 | 0.5 | 0.45 | 0.45 | 0.8 | 3.21 |
QHW30CC | 42 | 6 | 31 | 90 | 72 | 9 | 52 | 70 | 97.4 | 13.5 | 6.25 | 12 | M10 | 8.5 | 16 | 10 | 6.5 | 6 | 28 | 26 | 14 | 12 | 9 | 80 | 20 | M8x25 | 58.26 | 66.34 | 0.6 | 0.5 | 0.5 | 1.09 | 4.47 |
QHW30HC | 42 | 6 | 31 | 90 | 72 | 9 | 52 | 93 | 120.4 | 25.75 | 6.25 | 12 | M10 | 8.5 | 16 | 10 | 6.5 | 6 | 28 | 26 | 14 | 12 | 9 | 80 | 20 | M8x25 | 70.32 | 88.45 | 0.83 | 0.89 | 0.89 | 1.44 | 4.47 |
QHW35CC | 48 | 7.5 | 33 | 100 | 82 | 9 | 62 | 80 | 113.6 | 13 | 7.5 | 12 | M10 | 10.1 | 18 | 13 | 8.5 | 6.5 | 34 | 29 | 14 | 12 | 9 | 80 | 20 | M8x25 | 78.89 | 86.66 | 1.07 | 0.76 | 0.76 | 1.56 | 6.3 |
QHW35HC | 48 | 7.5 | 33 | 100 | 82 | 9 | 62 | 105.8 | 139.4 | 25.9 | 7.5 | 12 | M10 | 10.1 | 18 | 13 | 8.5 | 6.5 | 34 | 29 | 14 | 12 | 9 | 80 | 20 | M8x25 | 95.23 | 115.55 | 1.45 | 1.33 | 1.33 | 2.06 | 6.3 |
QHW45CC | 60 | 9.2 | 37.5 | 120 | 100 | 10 | 80 | 97 | 139.4 | 13 | 10 | 12.9 | M12 | 15.1 | 22 | 15 | 8.5 | 10 | 45 | 38 | 20 | 17 | 14 | 105 | 22.5 | M12x35 | 119.4 | 135.42 | 1.83 | 1.38 | 1.38 | 2.79 | 10.41 |
QHW45HC | 60 | 9.2 | 37.5 | 120 | 100 | 10 | 80 | 128.8 | 171.2 | 28.9 | 10 | 12.9 | M12 | 15.1 | 22 | 15 | 8.5 | 10 | 45 | 38 | 20 | 17 | 14 | 105 | 22.5 | M12x35 | 144.13 | 180.56 | 2.47 | 2.41 | 2.41 | 3.69 | 10.41 |