HIWIN Linear Guide - PG series
HIWIN ผลิต PG เผื่อใช้รวมลิเนียร์ไกด์และเอ็นโค๊ดเดอร์ชนิดแม่เหล็กเข้าไว้ด้วยกัน ซึ่งระบบนี้จะมีความแข็งแรงสูง ในขณะเดียวกันก็ยังมีความแม่นยำสูง เอ็นโค๊ดเดอร์เป็นเซ็นเซอร์ที่ใช้วัดระยะทางชนิดไม่สัมผัส และแถบแม่เหล็กจะถูกฝังที่รางเพื่อป้องกันความเสียหายอันเกิดจากภายนอก ด้วยคุณลักษณะนี้จะทำให้ใช้งานได้นาน
ดาวน์โหลดไฟล์ PDF
Features | HIWIN Linear Guide - PG series
- เป็นลิเนียร์ไกด์วัดระยะทางของ HIWIN
- เป็นการรวมลิเนียร์ไกด์ และเอ็นโค๊ดเดอร์ชนิดแม่เหล็กเข้าไว้ด้วยกัน
- ระบบนี้จะมีความแข็งแรงในขณะเดียวกันก็ยังมีความแม่นยำสูง
- เอ็นโค๊ดเดอร์เป็นเซนเซอร์ที่ใช้วัดระยะทางชนิดไม่สัมผัส
- แถบแม่เหล็กจะถูกฝังที่รางเพื่อป้องกันความเสียหายอันเกิดจากภายนอกทำให้ใช้งานได้นาน
- ระดับความแม่นยำ
- C = ปกติ
- H = สูง
- P = แม่นยำ
- SP = แม่นยำสูง
- UP = แม่นยำสูงที่สุด
- ระดับการับน้ำหนักเริ่มต้น
- Z0 = น้ำหนักปกติ
- ZA = น้ำหนักปานกลาง
- ZB = น้ำหนักสูง
Assembly Code | HIWIN Linear Guide - PG series

Position Code | HIWIN Linear Guide - PG series

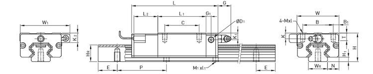
Specifications | HIWIN Linear Guide - PG series
PGHH-CA / PGHH-HA

Model | Dimensions of Assembly(mm) | Dimensions of Block(mm) | Dimensions of Rail(mm) | Basic Dynamic Load Rating | Basic Static Load Rating | Weight | ||||||||||||||||||||||
---|---|---|---|---|---|---|---|---|---|---|---|---|---|---|---|---|---|---|---|---|---|---|---|---|---|---|---|---|
H | H1 | N | W | W1 | B | B1 | C | L | L1 | L2 | G | G1 | D1 | K | K1 | K2 | Mxl | T | WR | HR | M1xl1 | P | E | C(kN) | C0(kN) | Block(kg) | Rail(kg/m) | |
PGHH20CA | 30 | 4.6 | 12 | 44 | 52 | 32 | 6 | 36 | 90.5 | 50.5 | 25 | 12 | 6 | 5 | 6 | 6 | 10 | M5x6 | 8 | 20 | 17.5 | M6x10 | 60 | 20 | 27.1 | 36.68 | 0.38 | 2.05 |
PGHH20HA | 30 | 4.6 | 12 | 44 | 52 | 32 | 6 | 50 | 105.2 | 65.2 | 25 | 12 | 6 | 5 | 6 | 6 | 10 | M5x6 | 8 | 20 | 17.5 | M6x10 | 60 | 20 | 32.7 | 47.96 | 0.39 | 2.05 |
PGHH25CA | 40 | 5.5 | 12.5 | 48 | 55.4 | 35 | 6.5 | 35 | 95 | 58 | 22.5 | 12 | 6 | 5 | 10 | 9 | 14 | M6x8 | 8 | 23 | 22 | M6x12 | 60 | 20 | 34.9 | 52.82 | 0.51 | 3.05 |
PGHH25HA | 40 | 5.5 | 12.5 | 48 | 55.4 | 35 | 6.5 | 50 | 116 | 78.6 | 22.5 | 12 | 6 | 5 | 10 | 9 | 14 | M6x8 | 8 | 23 | 22 | M6x12 | 60 | 20 | 42.2 | 69.07 | 0.69 | 3.05 |
PGHH30CA | 45 | 6 | 16 | 60 | 67 | 40 | 10 | 40 | 110 | 70 | 23 | 12 | 6 | 5 | 9.5 | 13.8 | 19 | M8x10 | 8.5 | 28 | 26 | M8x15 | 80 | 20 | 48.5 | 71.87 | 0.88 | 4.31 |
PGHH30HA | 45 | 6 | 16 | 60 | 67 | 40 | 10 | 60 | 133 | 93 | 23 | 12 | 6 | 5 | 9.5 | 13.8 | 19 | M8x10 | 8.5 | 28 | 26 | M8x15 | 80 | 20 | 58.6 | 93.99 | 1.16 | 4.31 |
PGHH35CA | 55 | 7.5 | 18 | 70 | 77 | 50 | 10 | 50 | 123 | 80 | 23.4 | 12 | 7 | 5 | 16 | 19.6 | 23.5 | M8x12 | 10.2 | 34 | 29 | M8x17 | 80 | 20 | 64.6 | 93.88 | 1.45 | 6.14 |
PGHH35HA | 55 | 7.5 | 18 | 70 | 77 | 50 | 10 | 72 | 148.8 | 105.8 | 23.4 | 12 | 7 | 5 | 16 | 19.6 | 23.5 | M8x12 | 10.2 | 34 | 29 | M8x17 | 80 | 20 | 77.9 | 122.77 | 1.92 | 6.14 |
PGHH45CA | 70 | 9.5 | 20.5 | 86 | 91 | 60 | 13 | 60 | 148 | 97 | 24.5 | 12.9 | 10 | 8.5 | 18.5 | 30.5 | 30.5 | M10x17 | 16 | 45 | 38 | M12x24 | 105 | 22.5 | 103.8 | 146.71 | 2.73 | 10.25 |
PGHH45HA | 70 | 9.5 | 20.5 | 86 | 91 | 60 | 13 | 80 | 179.8 | 128.8 | 24.5 | 12.9 | 10 | 8.5 | 18.5 | 30.5 | 30.5 | M10x17 | 16 | 45 | 38 | M12x24 | 105 | 22.5 | 125.3 | 191.85 | 3.61 | 10.25 |
PGHH55CA | 80 | 13 | 23.5 | 100 | 106 | 75 | 12.5 | 75 | 172.7 | 117.7 | 26 | 12.9 | 11 | 8.5 | 22 | 29 | 28.5 | M12x18 | 17.5 | 53 | 44 | M14x25 | 120 | 30 | 153.2 | 211.23 | 4.17 | 14.92 |
PGHH55HA | 80 | 13 | 23.5 | 100 | 106 | 75 | 12.5 | 95 | 210.8 | 155.8 | 26 | 12.9 | 11 | 8.5 | 22 | 29 | 28.5 | M12x18 | 17.5 | 53 | 44 | M14x25 | 120 | 30 | 184.9 | 276.23 | 5.49 | 14.92 |
PGHW-CA / PGHW-HA

Model | Dimensions of Assembly(mm) | Dimensions of Block(mm) | Dimensions of Rail(mm) | Basic Dynamic Load Rating | Basic Static Load Rating | Weight | |||||||||||||||||||||||
---|---|---|---|---|---|---|---|---|---|---|---|---|---|---|---|---|---|---|---|---|---|---|---|---|---|---|---|---|---|
H | H1 | N | W | W1 | B | B1 | C | L | L1 | L2 | G | G1 | D1 | M | K | K1 | K2 | T | T1 | WR | HR | M1xl1 | P | E | C(kN) | C0(kN) | Block(kg) | Rail(kg/m) | |
PGHW20CA | 30 | 4.6 | 21.5 | 63 | 52 | 53 | 5 | 40 | 90.5 | 50.5 | 25 | 12 | 6 | 5 | M6 | 6 | 6 | 10 | 8 | 10 | 20 | 17.5 | M6x10 | 60 | 20 | 27.1 | 36.68 | 0.4 | 2.05 |
PGHW20HA | 30 | 4.6 | 21.5 | 63 | 52 | 53 | 5 | 40 | 105.2 | 65.2 | 25 | 12 | 6 | 5 | M6 | 6 | 6 | 10 | 8 | 10 | 20 | 17.5 | M6x10 | 60 | 20 | 32.7 | 47.96 | 0.52 | 2.05 |
PGHW25CA | 36 | 5.5 | 23.5 | 70 | 55.4 | 57 | 6.5 | 45 | 95 | 58 | 22.5 | 12 | 6 | 5 | M8 | 6 | 5 | 10 | 8 | 14 | 23 | 22 | M6x12 | 60 | 20 | 34.9 | 52.82 | 0.59 | 3.05 |
PGHW25HA | 36 | 5.5 | 23.5 | 70 | 55.4 | 57 | 6.5 | 45 | 116 | 78.6 | 22.5 | 12 | 6 | 5 | M8 | 6 | 5 | 10 | 8 | 14 | 23 | 22 | M6x12 | 60 | 20 | 42.2 | 69.07 | 0.8 | 3.05 |
PGHW30CA | 42 | 6 | 31 | 90 | 67 | 72 | 9 | 52 | 110 | 70 | 23 | 12 | 6 | 5 | M10 | 6.5 | 10.8 | 16 | 8.5 | 16 | 28 | 26 | M8x15 | 80 | 20 | 48.5 | 71.87 | 1.09 | 4.31 |
PGHW30HA | 42 | 6 | 31 | 90 | 67 | 72 | 9 | 52 | 133 | 93 | 23 | 12 | 6 | 5 | M10 | 6.5 | 10.8 | 16 | 8.5 | 16 | 28 | 26 | M8x15 | 80 | 20 | 58.6 | 93.99 | 1.44 | 4.31 |
PGHW35CA | 48 | 7.5 | 33 | 100 | 77 | 82 | 9 | 62 | 123 | 80 | 23.4 | 12 | 7 | 5 | M10 | 9 | 12.6 | 16.5 | 10.1 | 18 | 34 | 29 | M8x17 | 80 | 20 | 64.6 | 93.88 | 1.56 | 6.14 |
PGHW35HA | 48 | 7.5 | 33 | 100 | 77 | 82 | 9 | 62 | 148.8 | 105.8 | 23.4 | 12 | 7 | 5 | M10 | 9 | 12.6 | 16.5 | 10.1 | 18 | 34 | 29 | M8x17 | 80 | 20 | 77.9 | 122.77 | 2.06 | 6.14 |
PGHW45CA | 60 | 9.5 | 37.5 | 120 | 91 | 100 | 10 | 80 | 148 | 97 | 24.5 | 12.9 | 10 | 8.5 | M12 | 8.5 | 20 | 20 | 15.1 | 22 | 45 | 38 | M12x24 | 105 | 22.5 | 103.8 | 146.71 | 2.79 | 10.25 |
PGHW45HA | 60 | 9.5 | 37.5 | 120 | 91 | 100 | 10 | 80 | 179.8 | 128.8 | 24.5 | 12.9 | 10 | 8.5 | M12 | 8.5 | 20 | 20 | 15.1 | 22 | 45 | 38 | M12x24 | 105 | 22.5 | 125.3 | 191.85 | 3.69 | 10.25 |
PGHW55CA | 70 | 13 | 43.5 | 140 | 106 | 116 | 12 | 95 | 172.7 | 117.7 | 26 | 12.9 | 11 | 8.5 | M14 | 12 | 19 | 18.5 | 17.5 | 26.5 | 53 | 44 | M14x25 | 120 | 30 | 153.2 | 211.23 | 4.52 | 14.92 |
PGHW55HA | 70 | 13 | 43.5 | 140 | 106 | 116 | 12 | 95 | 210.8 | 155.8 | 26 | 12.9 | 11 | 8.5 | M14 | 12 | 19 | 18.5 | 17.5 | 26.5 | 53 | 44 | M14x25 | 120 | 30 | 184.9 | 276.23 | 5.96 | 14.92 |
PGHW-CB / PGHW-HB

Model | Dimensions of Assembly(mm) | Dimensions of Block(mm) | Dimensions of Rail(mm) | Basic Dynamic Load Rating | Basic Static Load Rating | Weight | ||||||||||||||||||||||||
---|---|---|---|---|---|---|---|---|---|---|---|---|---|---|---|---|---|---|---|---|---|---|---|---|---|---|---|---|---|---|
H | H1 | N | W | W1 | B | B1 | C | L | L1 | L2 | G | G1 | D1 | M | K | K1 | K2 | T | T1 | T2 | WR | HR | M1xl1 | P | E | C(kN) | C0(kN) | Block(kg) | Rail(kg/m) | |
PGHW20CB | 30 | 4.6 | 21.5 | 63 | 52 | 53 | 5 | 40 | 90.5 | 50.5 | 25 | 12 | 6 | 5 | Ø6 | 6 | 6 | 10 | 8 | 10 | 9.5 | 20 | 17.5 | M6x10 | 60 | 20 | 27.1 | 36.68 | 0.4 | 2.05 |
PGHW20HB | 30 | 4.6 | 21.5 | 63 | 52 | 53 | 5 | 40 | 105.2 | 65.2 | 25 | 12 | 6 | 5 | Ø6 | 6 | 6 | 10 | 8 | 10 | 9.5 | 20 | 17.5 | M6x10 | 60 | 20 | 32.7 | 47.96 | 0.52 | 2.05 |
PGHW25CB | 36 | 5.5 | 23.5 | 70 | 55.4 | 57 | 6.5 | 45 | 95 | 58 | 22.5 | 12 | 6 | 5 | Ø7 | 6 | 5 | 10 | 8 | 14 | 10 | 23 | 22 | M6x12 | 60 | 20 | 34.9 | 52.82 | 0.59 | 3.05 |
PGHW25HB | 36 | 5.5 | 23.5 | 70 | 55.4 | 57 | 6.5 | 45 | 116 | 78.6 | 22.5 | 12 | 6 | 5 | Ø7 | 6 | 5 | 10 | 8 | 14 | 10 | 23 | 22 | M6x12 | 60 | 20 | 42.2 | 69.07 | 0.8 | 3.05 |
PGHW30CB | 42 | 6 | 31 | 90 | 67 | 72 | 9 | 52 | 110 | 70 | 23 | 12 | 6 | 5 | Ø9 | 6.5 | 10.8 | 16 | 8.5 | 16 | 10 | 28 | 26 | M8x15 | 80 | 20 | 48.5 | 71.87 | 1.09 | 4.31 |
PGHW30HB | 42 | 6 | 31 | 90 | 67 | 72 | 9 | 52 | 133 | 93 | 23 | 12 | 6 | 5 | Ø9 | 6.5 | 10.8 | 16 | 8.5 | 16 | 10 | 28 | 26 | M8x15 | 80 | 20 | 58.6 | 93.99 | 1.44 | 4.31 |
PGHW35CB | 48 | 7.5 | 33 | 100 | 77 | 82 | 9 | 62 | 123 | 80 | 23.4 | 12 | 7 | 5 | Ø9 | 9 | 12.6 | 16.5 | 10.1 | 18 | 13 | 34 | 29 | M8x17 | 80 | 20 | 64.6 | 93.88 | 1.56 | 6.14 |
PGHW35HB | 48 | 7.5 | 33 | 100 | 77 | 82 | 9 | 62 | 148.8 | 105.8 | 23.4 | 12 | 7 | 5 | Ø9 | 9 | 12.6 | 16.5 | 10.1 | 18 | 13 | 34 | 29 | M8x17 | 80 | 20 | 77.9 | 122.77 | 2.06 | 6.14 |
PGHW45CB | 60 | 9.5 | 37.5 | 120 | 91 | 100 | 10 | 80 | 148 | 97 | 24.5 | 12.9 | 10 | 8.5 | Ø11 | 8.5 | 20 | 20 | 15.1 | 22 | 15 | 45 | 38 | M12x24 | 105 | 22.5 | 103.8 | 146.71 | 2.79 | 10.25 |
PGHW45HB | 60 | 9.5 | 37.5 | 120 | 91 | 100 | 10 | 80 | 179.8 | 128.8 | 24.5 | 12.9 | 10 | 8.5 | Ø11 | 8.5 | 20 | 20 | 15.1 | 22 | 15 | 45 | 38 | M12x24 | 105 | 22.5 | 125.3 | 191.85 | 3.69 | 10.25 |
PGHW55CB | 70 | 13 | 43.5 | 140 | 106 | 116 | 12 | 95 | 172.7 | 117.7 | 26 | 12.9 | 11 | 8.5 | Ø14 | 12 | 19 | 18.5 | 17.5 | 26.5 | 17 | 53 | 44 | M14x25 | 120 | 30 | 153.2 | 211.23 | 4.52 | 14.92 |
PGHW55HB | 70 | 13 | 43.5 | 140 | 106 | 116 | 12 | 95 | 210.8 | 155.8 | 26 | 12.9 | 11 | 8.5 | Ø14 | 12 | 19 | 18.5 | 17.5 | 26.5 | 17 | 53 | 44 | M14x25 | 120 | 30 | 184.9 | 276.23 | 5.96 | 14.92 |
PGHW-CC / PGHW-HC

Model | Dimensions of Assembly(mm) | Dimensions of Block(mm) | Dimensions of Rail(mm) | Basic Dynamic Load Rating | Basic Static Load Rating | Weight | ||||||||||||||||||||||||
---|---|---|---|---|---|---|---|---|---|---|---|---|---|---|---|---|---|---|---|---|---|---|---|---|---|---|---|---|---|---|
H | H1 | N | W | W1 | B | B1 | C | L | L1 | L2 | G | G1 | D1 | M | K | K1 | K2 | T | T1 | T2 | WR | HR | M1xl1 | P | E | C(kN) | C0(kN) | Block(kg) | Rail(kg/m) | |
PGHW20CC | 30 | 4.6 | 21.5 | 63 | 52 | 53 | 5 | 40 | 90.5 | 50.5 | 25 | 12 | 6 | 5 | M6 | 6 | 6 | 10 | 8 | 10 | 9.5 | 20 | 17.5 | M6x10 | 60 | 20 | 27.1 | 36.68 | 0.4 | 2.05 |
PGHW20HC | 30 | 4.6 | 21.5 | 63 | 52 | 53 | 5 | 40 | 105.2 | 65.2 | 25 | 12 | 6 | 5 | M6 | 6 | 6 | 10 | 8 | 10 | 9.5 | 20 | 17.5 | M6x10 | 60 | 20 | 32.7 | 47.96 | 0.52 | 2.05 |
PGHW25CC | 36 | 5.5 | 23.5 | 70 | 55.4 | 57 | 6.5 | 45 | 95 | 58 | 22.5 | 12 | 6 | 5 | M8 | 6 | 5 | 10 | 8 | 14 | 10 | 23 | 22 | M6x12 | 60 | 20 | 34.9 | 52.82 | 0.59 | 3.05 |
PGHW25HC | 36 | 5.5 | 23.5 | 70 | 55.4 | 57 | 6.5 | 45 | 116 | 78.6 | 22.5 | 12 | 6 | 5 | M8 | 6 | 5 | 10 | 8 | 14 | 10 | 23 | 22 | M6x12 | 60 | 20 | 42.2 | 69.07 | 0.8 | 3.05 |
PGHW30CC | 42 | 6 | 31 | 90 | 67 | 72 | 9 | 52 | 110 | 70 | 23 | 12 | 6 | 5 | M10 | 6.5 | 10.8 | 16 | 8.5 | 16 | 10 | 28 | 26 | M8x15 | 80 | 20 | 48.5 | 71.87 | 1.09 | 4.31 |
PGHW30HC | 42 | 6 | 31 | 90 | 67 | 72 | 9 | 52 | 133 | 93 | 23 | 12 | 6 | 5 | M10 | 6.5 | 10.8 | 16 | 8.5 | 16 | 10 | 28 | 26 | M8x15 | 80 | 20 | 58.6 | 93.99 | 1.44 | 4.31 |
PGHW35CC | 48 | 7.5 | 33 | 100 | 77 | 82 | 9 | 62 | 123 | 80 | 23.4 | 12 | 7 | 5 | M10 | 9 | 12.6 | 16.5 | 10.1 | 18 | 13 | 34 | 29 | M8x17 | 80 | 20 | 64.6 | 93.88 | 1.56 | 6.14 |
PGHW35HC | 48 | 7.5 | 33 | 100 | 77 | 82 | 9 | 62 | 148.8 | 105.8 | 23.4 | 12 | 7 | 5 | M10 | 9 | 12.6 | 16.5 | 10.1 | 18 | 13 | 34 | 29 | M8x17 | 80 | 20 | 77.9 | 122.77 | 2.06 | 6.14 |
PGHW45CC | 60 | 9.5 | 37.5 | 120 | 91 | 100 | 10 | 80 | 148 | 97 | 24.5 | 12.9 | 10 | 8.5 | M12 | 8.5 | 20 | 20 | 15.1 | 22 | 15 | 45 | 38 | M12x24 | 105 | 22.5 | 103.8 | 146.71 | 2.79 | 10.25 |
PGHW45HC | 60 | 9.5 | 37.5 | 120 | 91 | 100 | 10 | 80 | 179.8 | 128.8 | 24.5 | 12.9 | 10 | 8.5 | M12 | 8.5 | 20 | 20 | 15.1 | 22 | 15 | 45 | 38 | M12x24 | 105 | 22.5 | 125.3 | 191.85 | 3.69 | 10.25 |
PGHW55CC | 70 | 13 | 43.5 | 140 | 106 | 116 | 12 | 95 | 172.7 | 117.7 | 26 | 12.9 | 11 | 8.5 | M14 | 12 | 19 | 18.5 | 17.5 | 26.5 | 17 | 53 | 44 | M14x25 | 120 | 30 | 153.2 | 211.23 | 4.52 | 14.92 |
PGHW55HC | 70 | 13 | 43.5 | 140 | 106 | 116 | 12 | 95 | 210.8 | 155.8 | 26 | 12.9 | 11 | 8.5 | M14 | 12 | 19 | 18.5 | 17.5 | 26.5 | 17 | 53 | 44 | M14x25 | 120 | 30 | 184.9 | 276.23 | 5.96 | 14.92 |
PGHL-CA / PGHL-HA

Model | Dimensions of Assembly(mm) | Dimensions of Block(mm) | Dimensions of Rail(mm) | Basic Dynamic Load Rating | Basic Static Load Rating | Weight | ||||||||||||||||||||||
---|---|---|---|---|---|---|---|---|---|---|---|---|---|---|---|---|---|---|---|---|---|---|---|---|---|---|---|---|
H | H1 | N | W | W1 | B | B1 | C | L | L1 | L2 | G | G1 | D1 | K | K1 | K2 | Mxl | T | WR | HR | M1xl1 | P | E | C(kN) | C0(kN) | Block(kg) | Rail(kg/m) | |
PGHL25CA | 36 | 5.5 | 12.5 | 48 | 55.4 | 35 | 6.5 | 35 | 95 | 58 | 22.5 | 12 | 6 | 5 | 6 | 9 | 14 | M6x6 | 8 | 23 | 22 | M6x12 | 60 | 20 | 34.9 | 52.82 | 0.51 | 3.05 |
PGHL25HA | 36 | 5.5 | 12.5 | 48 | 55.4 | 35 | 6.5 | 50 | 116 | 78.6 | 22.5 | 12 | 6 | 5 | 6 | 9 | 14 | M6x6 | 8 | 23 | 22 | M6x12 | 60 | 20 | 42.2 | 69.07 | 0.69 | 3.05 |
PGHL30CA | 42 | 6 | 16 | 60 | 67 | 40 | 10 | 40 | 110 | 70 | 23 | 12 | 6 | 5 | 6.5 | 10.8 | 16 | M8x10 | 8.5 | 28 | 26 | M8x15 | 80 | 20 | 48.5 | 71.87 | 0.88 | 4.31 |
PGHL30HA | 42 | 6 | 16 | 60 | 67 | 40 | 10 | 60 | 133 | 93 | 23 | 12 | 6 | 5 | 6.5 | 10.8 | 16 | M8x10 | 8.5 | 28 | 26 | M8x15 | 80 | 20 | 58.6 | 93.99 | 1.16 | 4.31 |
PGHL35CA | 48 | 7.5 | 18 | 70 | 77 | 50 | 10 | 50 | 123 | 80 | 23.4 | 12 | 7 | 5 | 9 | 12.6 | 16.5 | M8x12 | 10.2 | 34 | 29 | M8x17 | 80 | 20 | 64.6 | 93.88 | 1.45 | 6.14 |
PGHL35HA | 48 | 7.5 | 18 | 70 | 77 | 50 | 10 | 72 | 148.8 | 105.8 | 23.4 | 12 | 7 | 5 | 9 | 12.6 | 16.5 | M8x12 | 10.2 | 34 | 29 | M8x17 | 80 | 20 | 77.9 | 122.77 | 1.92 | 6.14 |
PGHL45CA | 60 | 9.5 | 20.5 | 86 | 91 | 60 | 13 | 60 | 148 | 97 | 24.5 | 12.9 | 10 | 8.5 | 8.5 | 20.5 | 20.5 | M10x17 | 16 | 45 | 38 | M12x24 | 105 | 22.5 | 103.8 | 146.71 | 2.73 | 10.25 |
PGHL45HA | 60 | 9.5 | 20.5 | 86 | 91 | 60 | 13 | 80 | 179.8 | 128.8 | 24.5 | 12.9 | 10 | 8.5 | 8.5 | 20.5 | 20.5 | M10x17 | 16 | 45 | 38 | M12x24 | 105 | 22.5 | 125.3 | 191.85 | 3.61 | 10.25 |
PGHL55CA | 70 | 13 | 23.5 | 100 | 106 | 75 | 12.5 | 75 | 172.7 | 117.7 | 26 | 12.9 | 11 | 8.5 | 12 | 19 | 18.5 | M12x18 | 17.5 | 53 | 44 | M14x25 | 120 | 30 | 153.2 | 211.23 | 4.17 | 14.92 |
PGHL55HA | 70 | 13 | 23.5 | 100 | 106 | 75 | 12.5 | 95 | 210.8 | 155.8 | 26 | 12.9 | 11 | 8.5 | 12 | 19 | 18.5 | M12x18 | 17.5 | 53 | 44 | M14x25 | 120 | 30 | 184.9 | 276.23 | 5.49 | 14.92 |