DELTA SCARA robot - DRS60L
DELTA SCARA robot - DRS60L
Download PDF
Model Numbers | SCARA robot - DRS60L
Example: DRS40L3SS1BN002, DRS40L3SS1BN003
How to choose: DRS(1) 60(2) L(3) 6(4) S(5) S(6) 1(7) B(8) N(9) 002(10)
- (1) = Company / Product / Robot type
- D = DELTA
- R = Robot
- S = SCARA
- (2) = Arm Length
- 60 = 600 mm
- (3) = Ievel
- L = Lite
- (4) = Max payload
- 6 = 6 kg
- 3 = 3 kg
- (5) = Z-Axis Stroke (Horizontal stroke)
- S = 200 mm
- O = 300 mm
- (6) = R-Axis Speed Reduction Ratio
- S = Standard (1/15)
- O = Optional (1/50)
- (7) = Generation
- A = CE
- 1 = 1st generation
- (8) = Controller
- B = Servo drive (Cable length 3 m)
- K = Servo drive (Cable length 5 m)
- D = CE controller (Cable length 3 m)
- (9) = Teach Pendant
- N = Non
- (10) = Identification
- 002 = Standard 4 Axes
- 302 = 3 Axes
- 502 = 5 Axes
- 003 = CE 4 Axes
Specifications | SCARA robot - DRS60L
| DELTA | DRS40L3SO1BN002 | DRS40L3SO1BN002 | DRS40L3SO1BN002 | DRS40L3SO1BN002 | DRS40L3SO1BN002 | DRS40L3SO1BN002 | |
|---|---|---|---|---|---|---|---|
| Number of Axes | 3 | 4 | 4 | 4 | 5 | 4 | |
| Installation | Table-top | ||||||
| Arm Length (X + Y) | 600 mm | ||||||
| Rated / Max. Payload | 2 kg / 6 kg | 1 kg / 3 kg | |||||
| Maximum Speed | J1 + J2 | 5000 mm / sec | 4050 mm / sec | ||||
| J3 | 1100 mm / sec | 1250 mm / sec | |||||
| J4 | N.A. | 600°/ sec | 2000°/ sec | 1875°/ sec | |||
| J5 | N.A. | 600°/ sec | N.A. | ||||
| Range of Motion | J1 | ±133° | ±114° | ||||
| J2 | ±153° | ±148° | |||||
| J3 | 200 mm | 300 mm | 200 mm | 150 mm | |||
| J4 | N.A. | ±360° | |||||
| J5 | N.A. | ±360° | N.A. | ||||
| Standard Cycle Time* | 0.39 sec | 0.45 sec | 0.72 sec | ||||
| Repeatability | J1 + J2 | ±0.015 mm | ±0.015 mm | ||||
| J3 | ±0.01 mm | ±0.01 mm | |||||
| J4 | N.A. | ±0.01° | ±0.01° | ||||
| J5 | N.A. | ±0.01° | N.A | ||||
| Rated / Max. Push Force (J3) | 150 / 350 N | N.A. | 100 N / 250 N | ||||
| Rated / Max. Allowable Inertia Moment (J4) | N.A. | 0.07 kg•m2 | 0.01 kg•m2 | 0.009 kg•m2 | |||
| User Wiring | 15 Pin D-Sub | ||||||
| User Tubing | ø4 mm x 1, ø6 mm x 2 | ø4 mm x 2, ø6 mm x 1 | |||||
| Weight (Without Controller) | 20 kg | 21 kg | 22 kg | ||||
| Environment | Ambient Temperature | 5ºC ~ 40ºC | |||||
| Storage | -25ºC ~ 55ºC | ||||||
| Humidity | 0 ~ 90% RH (non-condensing) | ||||||
*When carrying a payload of 1 kg and reciprocating 25 mm in vertical and 300 mm in horizontal directions under an operating temperature of 25ºC and within a humidity of 45% ~ 65% RH (non-condensing).
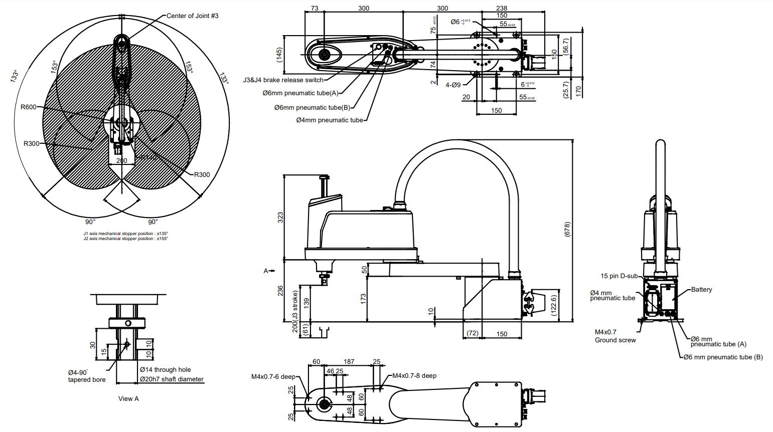
Dimensions | SCARA robot - DRS60L
Features | SCARA robot - DRS60L
Support the weight of the gripper not more than 6 kg, the horizontal reach distance can be as far as 600 mm and the vertical reach distance can be as far as 200 - 300 mm. Pick up, suck the workpiece to place , Check the quality by installing a camera, Picked up into the machine and Take out the machine, assemble the workpiece, pick the packaging
DELTA SCARA robot - DRS60L
ดาวน์โหลด PDF
เลือกรุ่นสินค้า | SCARA robot - DRS60L
ตัวอย่าง: DRS60L6SS1BN002, DRS60L3SS1BN003
วิธีการเลือก: DRS(1) 40(2) L(3) 3(4) S(5) S(6) 1(7) B(8) N(9) 002(10)
- (1) = Company / Product / Robot type
- D = DELTA
- R = Robot
- S = SCARA
- (2) = Arm Length
- 60 = 600 mm
- (3) = Ievel
- L = Lite
- (4) = Max payload
- 6 = 6 kg
- 3 = 3 kg
- (5) = Z-Axis Stroke (Horizontal stroke)
- S = 200 mm
- O = 300 mm
- (6) = R-Axis Speed Reduction Ratio
- S = Standard (1/15)
- O = Optional (1/50)
- (7) = Generation
- A = CE
- 1 = 1st generation
- (8) = Controller
- B = Servo drive (Cable length 3 m)
- K = Servo drive (Cable length 5 m)
- D = CE controller (Cable length 3 m)
- (9) = Teach Pendant
- N = Non
- (10) = Identification
- 002 = Standard 4 Axes
- 302 = 3 Axes
- 502 = 5 Axes
- 003 = CE 4 Axes
ข้อมูลทางเทคนิค | SCARA robot - DRS60L
| DELTA | DRS40L3SO1BN002 | DRS40L3SO1BN002 | DRS40L3SO1BN002 | DRS40L3SO1BN002 | DRS40L3SO1BN002 | DRS40L3SO1BN002 | |
|---|---|---|---|---|---|---|---|
| จำนวนแกน | 3 | 4 | 4 | 4 | 5 | 4 | |
| การติดตั้ง | บนโต๊ะ | ||||||
| ระยะแขน (X + Y) | 600 mm | ||||||
| รับน้ำหนัก ปกติ / สูงสุด | 2 kg / 6 kg | 1 kg / 3 kg | |||||
| ความเร็ว สูงสุด | J1 + J2 | 5000 mm / sec | 4050 mm / sec | ||||
| J3 | 1100 mm / sec | 1250 mm / sec | |||||
| J4 | N.A. | 600°/ sec | 2000°/ sec | 1875°/ sec | |||
| J5 | N.A. | 600°/ sec | N.A. | ||||
| การเคลื่อนไหว | J1 | ±133° | ±114° | ||||
| J2 | ±153° | ±148° | |||||
| J3 | 200 mm | 300 mm | 200 mm | 150 mm | |||
| J4 | N.A. | ±360° | |||||
| J5 | N.A. | ±360° | N.A. | ||||
| รอบการทำงาน* | 0.39 sec | 0.45 sec | 0.72 sec | ||||
| การทำซ้ำ | J1 + J2 | ±0.015 mm | ±0.015 mm | ||||
| J3 | ±0.01 mm | ±0.01 mm | |||||
| J4 | N.A. | ±0.01° | ±0.01° | ||||
| J5 | N.A. | ±0.01° | N.A | ||||
| แรงผลักดัน ปกติ / สูงสุด (J3) | 150 / 350 N | N.A. | 100 N / 250 N | ||||
| โมเมนต์ความเฉื่อย ปกติ / สูงสุด (J4) | N.A. | 0.07 kg•m2 | 0.01 kg•m2 | 0.009 kg•m2 | |||
| สายไฟ | 15 Pin D-Sub | ||||||
| ท่อ | ø4 mm x 1, ø6 mm x 2 | ø4 mm x 2, ø6 mm x 1 | |||||
| น้ำหนัก (ไม่รวมตัวควบคุม) | 20 kg | 21 kg | 22 kg | ||||
| สภาพแวดล้อม | อุณหภูมิ | 5ºC ~ 40ºC | |||||
| การจัดเก็บ | -25ºC ~ 55ºC | ||||||
| ความชื้น | 0 ~ 90% RH (non-condensing) | ||||||
*When carrying a payload of 1 kg and reciprocating 25 mm in vertical and 300 mm in horizontal directions under an operating temperature of 25ºC and within a humidity of 45% ~ 65% RH (non-condensing).
ขนาด | SCARA robot - DRS40L
คุณสมบัติ | SCARA robot - DRS60L
รับน้ำหนักร่วมกรีปเปอร์ ไม่เกิน 6 กิโลกรัม ระยะเอื้อมในแนวนอนไปได้ไกลสุด 600 มิลลิเมตร และระยะเอื้อมในแนวตั้งไปได้ไกลสุด 200 - 300 มิลลิเมตร การใช้งานหยิบจับ, ดูดชิ้นงานไปวาง, ตรวจสอบคุณภาพด้วยการติดกล้อง, หยิบเข้าเข้าเครื่อง และหยิบออกจากเครื่องจักร, ประกอบชิ้นงาน, หยิบบรรจุภัณฑ์




Your Lift