Hiwin Linear Actuator - LAS1
Hiwin Linear Actuator - LAS1 : belongs to ACME screw type, max thrust is 12000N, mostly applied to automation facilities, automatic windows and doors, household furniture and electric wheelchairs.
Linear Actuator - LAS1
ดาวน์โหลดไฟล์ PDF
Feature | Linear Actuator - LAS1
- Screw type : ACME
- Weight (Stroke length 100mm) : 1.04kg
- Protection : IP54
- Compatible countroller : Compatible with all controllers (*Notice the type of connector: Audio/DIN 4pin)
- Working temp. : 5 - 40 °C
- Option
- IP66
- Gear box housing turned 90°
- Rod end with flat connector (RL=S+110, S≤250 / RL=S+160, S=300)
- External reed switches
- Plastic gear (Max. load: 800N)
- Pulg : DIN 4PIN plug / Stereo plug / Mono plug
- UL version
Specifications | Linear Actuator - LAS1
| Model | Thrust max. (N) | Pulling max. (N) | Holding max. (N) | Speed (mm/s) | Standard stroke (mm) : s | Duty cycle % | Current max (A) | |||||||||
|---|---|---|---|---|---|---|---|---|---|---|---|---|---|---|---|---|
| Load max | Load 0 | 12VDC | 24VDC | |||||||||||||
| LAS1-1 | 1200 | 1200 | 800 | 8 | 12 | 50 | 75 | 100 | 125 | 150 | 200 | 250 | 300 | 10 | 6 | 2.5 |
| LAS1-2 | 600 | 600 | 300 | 16 | 25 | 20 | 75 | 100 | 125 | 150 | 200 | 250 | 300 | 10 | 6 | 3 |
*Min input power = Voltage x Current max.
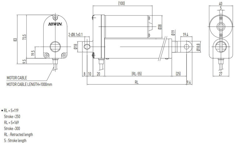
Dimensions | Linear Actuator - LAS1





Your Lift